SFP-Paket mit LC-Anschluss, DML CWDM DFB-Laser und PIN-TIA-Foto detektor, bis zu 10km Übertragung auf SMF, bis zu 11,3 Gbit/s Daten verbindungen.
Merkmale
● SFP-Paket mit LC-Anschluss
● DML CWDM DFB Laser und PIN-TIA Foto detektor
● Bis zu 10km Übertragung auf SMF
● Bis zu 11,3 Gbps Daten Links
● 3,3 V Einzel netzteil
● Verlust leistung <1,5 W
● 2-Draht-Schnitts telle mit integrierter digitaler Diagnose überwachung
● Niedriger EMI-und aus gezeichneter ESD-Schutz
● Aser-Sicherheits standard IEC-60825 konform
● Kompatibel mit RoHS
● Konform mit SFF-8472 SFP MSA
● Konform mit SFP-SFF-8431 und-SFF-8432
Absolute maximale Bewertungen
Parameter | Symbol | Minimum | Maximal | Einheiten |
Lagerte mperatur | Tst | -40 | + 85 | °C |
Versorgungs spannung | Vcc | -0,3 | + 3.5 | V |
Relative Betriebs feuchtigkeit | RH | 5 | 95 | % |
Betriebs umgebung
Parameter | Symbol | Min | Typisch | Max | Einheiten |
Versorgungs spannung | Vcc | 3.15 | 3.3 | 3.45 | V |
Betriebs fall Temperatur | Tc | 0 | + 70 | °C | |
Macht ableitung | 1.5 | W | |||
Datenrate | 10.3125 | Gbps |
Optische Eigenschaften
Parameter | Symbol | Min. | Typ. | Max. | Einheiten |
Sender-Abschnitt | |||||
Mittelwellenlänge | Lo | 1270 | 1610 | Nm | |
Spektral breite (-20dB) | Dl | 1 | Nm | ||
Durchschnitt liche Ausgangs leistung | Po | -3 | 5 | DBm | |
Aussterbungs-Verhältnis | Äh | 3.5 | DB | ||
Seiten-Modus Unterdrückung verhältnis | SMSR | 35 | DB | ||
Gesamt jitter | Tj | IEEE 802.3ae | |||
Empfänger-Abschnitt | |||||
Mittelwellenlänge | Lo | 1270 | 1330 | 1610 | Nm |
Empfänger empfindlichkeit | Rsen | -13 | DBm | ||
Empfänger überlastung | Rov | 0 | DBm | ||
Rendite verlust | 12 | DB | |||
LOS Assert | LOSA | -28 | DBm | ||
LOS Dessert | LOSD | -14 | DBm | ||
LOS-Hysterese | 0,5 | 4 | |||
Elektrische Eigenschaften
Parameter | Symbol | Min. | Typ. | Max. | Einheit | |
Sender-Abschnitt | ||||||
Eingangs differential Impendenz | Zin | 90 | 100 | 110 | Ohm | |
Dateneingang-Schaukel Differential | Vin | 180 | 700 | MV | ||
TX deaktivieren | Deaktivieren | 2.0 | Vcc | V | ||
Aktivieren | -0,3 | 0,8 | V | |||
TX-Fehler | Anbehaupten | 2.4 | Vcc | V | ||
Einlage | -0,3 | 0,8 | V | |||
Empfänger-Abschnitt | ||||||
Ausgangs differential Impendenz | Zout | 80 | 100 | 120 | Ohm | |
Dateneingang-Schaukel Differential | Vout | 300 | 850 | MV | ||
Rx_LOS | Anbehaupten | 2.0 | Vcc | V | ||
Einlage | -0,3 | 0.4 | V | |||
Diagnostik
Parameter | Reichweite | Genauigkeit | Einheit | Kalibrierung |
Temperatur | 0 ~ 70 | ± 5 | °C | Intern |
Spannung | 3,15 ~ 3,45 | ± 0,1 | V | Intern |
Bias Current | 10 ~ 80 | ± 2 | MA | Intern |
Tx Leistung | -5 ~ 5 | ± 2 | DBm | Intern |
Rx Leistung | -16 ~ -3 | ± 3 | DBm | Intern |
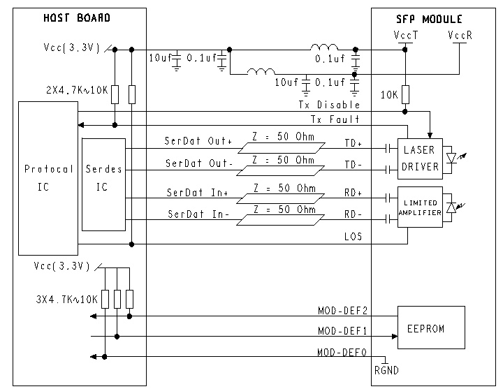
Pin-Beschreibung

Pins | Name | Beschreibung | HINWEIS |
1 | VeeT | Transmitter Boden | |
2 | Tx-Fehler | Sender fehler anzeige | 1 |
3 | Tx deaktivieren | Sender deaktivieren | 2 |
4 | MOD DEF2 | Modul Definition 2 | 3 |
5 | MOD DEF1 | Modul Definition 1 | 3 |
6 | MOD DEF0 | Modul Definition 0 | 3 |
7 | RS0 | Nicht verbunden | |
8 | LOS | Verlust des Signals | 4 |
9 | RS1 | Nicht verbunden | |
10 | VeeR | Empfänger boden | |
11 | VeeR | Empfänger boden | |
12 | RD- | Inv. Empfangene Daten ausgabe | 5 |
13 | RD | IReceived Daten ausgabe | 5 |
14 | VeeR | Empfänger boden | |
15 | VccR | Empfänger leistung | |
16 | VccT | Sender leistung | |
17 | VeeT | Transmitter Boden | |
18 | TD | Daten-Input übertragen | 6 |
19 | TD- | Inv. Daten-Input übertragen | 6 |
20 | VeeT | Transmitter Boden |
Anmerkungen:
1. TX-Fehler ist ein offener Kollektor ausgang, der mit einem 4,7 k ~ 10kΩ-Widerstand auf der Host-Platine auf eine Spannung zwischen 2,0 V und 0,3 V gezogen werden sollte. Logik 0 zeigt den normalen Betrieb an; Logik 1 zeigt einen Laser fehler an. Im niedrigen Zustand wird der Ausgang auf weniger als 0,8 V gezogen.
2. TX Deaktivieren ist ein Eingang, der verwendet wird, um den optischen Ausgang des Senders herunter zu fahren. Es wird innerhalb des Moduls mit einem 4,7 k ~ 10kΩ Widerstand hochgezogen. Seine Zustände sind:
Niedrig (0 ~ 0,8 V): Sender auf
(> 0,8 V, <2,0 V): Undefiniert
Hoch (2,0 ~ 3,3 V): Sender deaktiviert
Offen: Sender deaktiviert
3. MOD-DEF 0,1,2 ist die Modul definitions pins. Sie sollten mit einem 4,7 k ~ 10 kΩ Widerstand auf der Host-Platine hochgezogen werden. Die Pull-up-Spannung muss VccT oder VccR sein.
MOD-DEF 0 wird durch das Modul geerdet, um anzuzeigen, dass das Modul vorhanden ist
MOD-DEF 1 ist die Taktlinie von zwei Draht serielle Schnitts telle für serielle ID
MOD-DEF 2 ist die Datenleitung der seriellen Schnitts telle mit zwei Draht für die serielle ID
4. LOS ist ein offener Kollektor ausgang, der mit einem 4,7 k ~ 10kΩ Widerstand auf der Host-Platine auf eine Spannung zwischen 2,0 V und Vcc 0,3 V hochgezogen werden sollte. Logik 0 zeigt den normalen Betrieb an; Logik 1 zeigt den Signal verlust an. Im niedrigen Zustand wird der Ausgang auf weniger als 0,8 V gezogen.
5. Dies sind die differenzi ellen Empfänger ausgänge. Es handelt sich um intern AC-gekoppelte 100Ω-Differential leitungen, die beim Benutzer SERDES mit 100Ω (Differential) abgeschlossen werden sollten.
6. Dies sind die Differential sender eingänge. Sie sind AC-gekoppelte Differential leitungen mit 100 Ω Differential termination innerhalb des Moduls.
Empfohlene Anwendungs schaltung

Umriss zeichnungen (mm)

Anwendung
● Ethernet
● Telekommunikation
● Faser kanal
| Date | Version | Description | Download | ||
| 2025-03-17 | Datasheet _ 10G CWDM SFP 1270nm ~ 1610nm 10km_LA-OT-10GCW26-10_V2.Y | ||||
Abonnieren Sie jetzt, Sie können über 100 wertvolle Ressourcen und White Papers erhalten.
Folgen Sie uns können auch die neuesten Produkte und Branchen informationen in unseren Mitglieder-E-Mails erhalten.Details lernen >>>
Rufen Sie uns an:
Mailen Sie uns:
2106B, # 3D, Cloud Park Phase 1, Bantian, Longgang, Shenzhen, 518129, P.R.C.