SFP -10GBASE-T Kupfer-SFP-Transceiver (Small Form Plug gable) basieren auf der SFP Multi Source Agreement (MSA).
SFP -10GBASE-T Kupfer-SFP-Transceiver (Small Form Plug gable) basieren auf der SFP Multi Source Agreement (MSA). Sie sind mit den Standards 10Gbase-T / 5Gbase-T/2,5 Gbase-T / 1000base-T kompatibel, wie in IEEE Std 802.3 spezifiziert. SFP -10GBASE-T verwendet den RX_LOS-Pin des SFP (muss am Host hochgezogen werden) für die Verbindungs anzeige. Wenn Sie den TX_DISABLE Pin des SFP hochziehen oder öffnen, wird PHY IC zurück gesetzt.
Merkmale
● Unterstützung 10Gbase-T / 5Gbase-T/2,5 Gbase-T / 1000base-T
● Hot-steck barer SFP-Fußabdruck
● Kompakte RJ-45 Steck verbinder montage
● RoHS konform und bleifrei
● Einzelnes 3,3 V Netzteil
● 10 Gigabit Ethernet über Cat 6a Kabel
● Umgebungs betriebs temperatur: 0 °C bis 65 °C
Kabellänge
Standard | Kabel | Reichweite | Host-Hafen |
10Gbase-T | CAT6A | 30m | SFI |
5Gbase-T/2,5 Gbase-t | CAT5E | 50m | 5GBase-R/2.5 GPase-X |
1000base-T | CAT5E | 100m | 1000base-FX |
Pin | Symbol | Name/Beschreibung | Ref. |
1 | VEET | Sender boden (gemeinsam mit Empfänger boden) | 1 |
2 | TFEHLER | Sender fehler. Nicht unterstützt. | |
3 | TDIS | Sender deaktivieren. Laser leistung deaktiviert auf hoch oder offen. | 2 |
4 | MOD _ DEF (2) | Modul definition 2. Datenleitung für Serial ID. | 3 |
5 | MOD _ DEF (1) | Modul definition 1. Clock Line für Serial ID. | 3 |
6 | MOD _ DEF (0) | Modul Definition 0. Innerhalb des Moduls geerdet. | 3 |
7 | Wählen Sie die Rate | Keine Verbindung erforderlich | |
8 | LOS | Hoch zeigt keine Verknüpfung an. Niedrig zeigt verknüpft an. | 4 |
9 | VEER | Empfänger Boden (gemeinsam mit Sender Boden) | 1 |
10 | VEER | Empfänger Boden (gemeinsam mit Sender Boden) | 1 |
11 | VEER | Empfänger Boden (gemeinsam mit Sender Boden) | 1 |
12 | RD- | Empfänger umgekehrte DATA aus. AC gekoppelt | |
13 | RD | Empfänger Nicht invertierte DATA aus. AC gekoppelt | |
14 | VEER | Empfänger Boden (gemeinsam mit Sender Boden) | 1 |
15 | VCCR | Empfänger-Strom versorgung | |
16 | VCCT | Transmitter Strom versorgung | |
17 | VEET | Sender boden (gemeinsam mit Empfänger boden) | 1 |
18 | TD | Sender nicht invertierte Daten in. AC gekoppelt. | |
19 | TD- | Sender umgekehrte Daten in. AC gekoppelt. | |
20 | VEET | Sender boden (gemeinsam mit Empfänger boden) | 1 |
SFP zum Hosten von Connector Pin Out
Anmerkungen:
1. Circuit Boden ist mit Fahrgestell boden verbunden
2. PHY deaktiviert auf TDIS> 2,0 V oder offen, aktiviert auf TDIS <0,8 V
3. Sollte mit 4,7 k - 10k Ohm auf Host-Board auf eine Spannung zwischen 2,0 V und 3,6 V hochgezogen werden. MOD _ DEF (0) zieht die Leitung niedrig, um anzuzeigen, dass das Modul anges ch lossen ist.
4. LVTTL kompatibel mit einer maximalen Spannung von 2,5 V.
Abbildung 1. Diagramm der Block-Pin-Nummern und-Namen des Host-Board-Steck verbinders
+ 3,3 V Volt elektrische Leistungs schnitts telle
Der SFP +-10GBASE-T hat einen Eingangs spannungs bereich von 3,3 V +/- 5%. Die maximale Spannung von 4V ist für den Dauerbetrieb nicht zulässig.
+ 3,3 Volt elektrische Leistungs schnitts telle | ||||||
Parameter | Symbol | Min | Typ | Max | Einheit | Hinweise/Bedingungen |
Versorgungs strom | Ist | 700 | 900 | MA | 3.0W max Leistung über Voller Spannungs bereich Und Temperatur. Siehe Warnhinweis unten | |
Eingangs spannung | Vcc | 3.13 | 3.3 | 3.47 | V | Bezugnahme auf den WN |
Maximale Spannung | Vmax | 4 | V | |||
Überspannung strom | Isurve | TBD | MA | Hot Plug über Steady State Aktuell. Siehe Warnhinweis Unten | ||
Vorsicht: Strom verbrauch und Schwall strom sind höher als die angegebenen Werte im SFP MSA
Signale mit niedriger Geschwindigkeit
MOD _ DEF (1) (SCL) und MOD _ DEF (2) (SDA) sind Open-Drain-CMOS-Signale (siehe Abschnitt VII, "Serielles Kommunikation protokoll"). Sowohl MOD _ DEF (1) als auch MOD _ DEF (2) müssen auf host_Vcc gezogen werden
Niedrig geschwindigkeit signale, elektronische Eigenschaften | |||||
Parameter | Symbol | Min | Max | Einheit | Hinweise/Bedingungen |
SFP-Ausgabe NIEDRIG | VOL | 0 | 0,5 | V | 4.7k bis 10k Pull-up zu host_Vcc, Gemessen an der Host-Seite des Steck verbinders |
SFP-Ausgabe HOCH | VOH | Host_Vcc-0,5 | Host_Vcc + 0.3 | V | 4.7k bis 10k Pull-up zu host_Vcc, Gemessen an der Host-Seite des Steck verbinders |
SFP-Eingabe NIEDRIG | VIL | 0 | 0,8 | V | 4.7k bis 10k Pull-up zu Vcc, Gemessen an der SFP-Seite des Steck verbinders |
SFP-Eingabe HOCH | VIH | 2 | Vcc + 0,3 | V | 4.7k bis 10k Pull-up zu Vcc, Gemessen an der SFP-Seite des Steck verbinders |
Elektrische Hoch geschwindigkeit schnitts telle
Alle Hoch geschwindigkeit signale sind intern AC-gekoppelt.
Elektrische Hoch geschwindigkeit schnitts telle, Übertragungs leitung-SFP | ||||||||||||
Parameter | Symbol | Min | Typ | Max | Einheit | Hinweise/Bedingungen | ||||||
Leitungs frequenz | FL | 125 | MHz | 5-stufige Codierung, per IEEE 802.3 | ||||||||
Tx Ausgabe Impedanz | Zout,TX | 100 | Ohm | Differential, für alle Frequenzen zwischen 1MHz und 125MHz | ||||||||
Rx Eingabe Impedanz | Zin,RX | 100 | Ohm | Differential, für alle Frequenzen zwischen 1MHz und 125MHz | ||||||||
Elektrische Hochgeschwindigkeits-Schnitts telle, Host-SFP | ||||||||||||
Parameter | Symbol | Min | Typ | Max | Einheit | Hinweise/Bedingungen | ||||||
Einzelne beendete Dateneingabe Schaukel | Vinsing | 250 | 1200 | MV | Single beendet | |||||||
Einzelne beendete Daten ausgabe Schaukel | Voutsing | 350 | 800 | MV | Single beendet | |||||||
Aufstieg/Herbstzeit | Tr, Tf | 175 | Psec | 20%-80% | ||||||||
Tx Eingangs impedanz | Zin | 50 | Ohm | Single beendet | ||||||||
Rx Ausgangs impedanz | Zout | 50 | Ohm | Single beendet | ||||||||
Allgemeine Spezifikationen
Allgemeine | ||||||
Parameter | Symbol | Min | Typ | Max | Einheit | Hinweise/Bedingungen |
Datenrate | BR | 1 | 10 | Gb/sec | IEEE 802.3 kompatibel. Siehe Anmerkungen 1,2 unten | |
Anmerkungen:
1. Uhr Toleranz ist/- 50 ppm
EEPROM-INFORMATIONEN (A0)
Addr | Feldgröße (Bytes) | Name des Feldes | HEX | Beschreibung |
0 | 1 | Kennung | 03 | SFP |
1 | 1 | Ext. Kennung | 04 | MOD4 |
2 | 1 | Steck verbinder | 07 | LC |
3-10 | 8 | Transceiver | 10 00 00 00 00 00 00 00 | Sender code |
11 | 1 | Kodierung | 06 | 64 B66B |
12 | 1 | BR, nominal | 67 | 1000M bps |
13 | 1 | Reserviert | 00 | |
14 | 1 | Länge (9um)-km | 00 | |
15 | 1 | Länge (9um) | 00 | |
16 | 1 | Länge (50um) | 08 | |
17 | 1 | Länge (62,5 um) | 02 | |
18 | 1 | Länge (Kupfer) | 00 | |
19 | 1 | Reserviert | 00 | |
20-35 | 16 | Name des Verkäufers | 57 49 4E 54 4F 50 20 20 20 20 20 20 20 20 20 20 20 20 | |
36 | 1 | Reserviert | 00 | |
37-39 | 3 | Verkäufer OUI | 00 00 00 | |
40-55 | 16 | Verkäufer PN | Xx xx xx xx xx xx xx xx Xx xx xx xx xx xx xx xx | ASC II |
56-59 | 4 | Verkäufer rev | 31 2E 30 20 | V 1.0 |
60-61 | 2 | Wellenlänge | 03 52 | 850nm |
62 | 1 | Reserviert | 00 | |
63 | 1 | CC BASE | XX | Überprüfen Sie die Summe des Bytes 0 ~ 62 |
64-65 | 2 | Optionen | 00 1A | LOS, TX_DISABLE, TX_FAULT |
66 | 1 | BR, max | 00 | |
67 | 1 | BR, min | 00 | |
68-83 | 16 | Verkäufer SN | 00 00 00 00 00 00 00 00 00 00 00 00 00 00 00 00 | Nicht spezifiziert |
84-91 | 8 | Verkäufer datums code | XX XX 20 | Jahr, Monat, Tag |
92-94 | 3 | Reserviert | 00 | |
95 | 1 | CC_EXT | XX | Überprüfen Sie die Summe des Bytes 64 ~ 94 |
96-255 | 160 | Verkäufer spezifisch |
EEPROM-INFORMATIONEN (A2) Optional

Umwelt spezifikationen
Die automatische Crossover-Erkennung ist aktiviert. Externes Crossover-Kabel ist nicht erforderlich
Umwelt spezifikationen | ||||||
Parameter | Symbol | Min | Typ | Max | Einheit | Hinweise/Bedingungen |
Betriebs temperatur | Top | 0 | 65 | °C | Fall temperatur | |
Lagerte mperatur | Tsto | -40 | 85 | °C | Umgebungs temperatur | |
Serielle Kommunikation protokoll
Serielles Bus-Timing, Anforderungen | ||||||
Parameter | Symbol | Min | Typ | Max | Einheit | Hinweise/Bedingungen |
I 2C Taktrate | 0 | 200.000 | Hz | |||
Alle SFPs unterstützen das im SFP MSA skizzierte serielle 2-Draht-Kommunikationsprotokoll. Diese SFPs verwenden eine MCU, auf die mit der Adresse A0h zugegriffen werden kann.
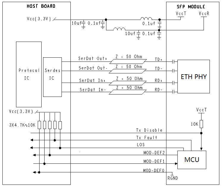
Empfohlene Anwendungs schaltung

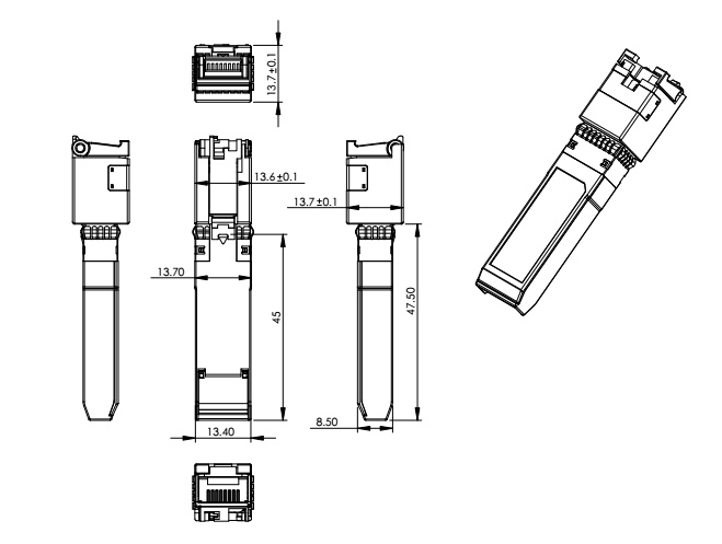
Umriss zeichnung (mm)
| Date | Version | Description | Download | ||
| 2025-03-17 | Datasheet _ 10G SFP Kupfer Transceiver_LA-OT-10GT-RJ | ||||
Abonnieren Sie jetzt, Sie können über 100 wertvolle Ressourcen und White Papers erhalten.
Folgen Sie uns können auch die neuesten Produkte und Branchen informationen in unseren Mitglieder-E-Mails erhalten.Details lernen >>>
Rufen Sie uns an:
Mailen Sie uns:
2106B, # 3D, Cloud Park Phase 1, Bantian, Longgang, Shenzhen, 518129, P.R.C.