Dieses Produkt ist ein 400 Gb/s Quad Small Form Factor Plug gable-Double Density (QSFP-DD) optisches Modul für 2km optische Kommunikation anwendungen.
Dieses Produkt ist ein 400 Gb/s Quad Small Form Factor Plug gable-Double Density (QSFP-DD) optisches Modul für 2km optische Kommunikation anwendungen. Das Modul wandelt 8 Kanäle mit elektrischen Eingabedaten von 50 Gb/s (PAM4) in 4 Kanäle optischer CWDM-Signale um und multiplext sie in einen einzigen Kanal für eine optische Übertragung von 400 Gb/s. Umgekehrt de-multiplext das Modul auf der Empfängers eite einen optischen Eingang von 400 Gb/s optisch in 4 Kanäle optischer CWDM-Signale und wandelt sie in 8 Kanäle mit 50 Gb/s um (PAM4). elektrische Ausgangs daten. Die zentralen Wellenlängen der 4 CWDM-Kanäle sind 1271, 1291, 1311 und 1331 nm als Mitglieder des in der ITU-T G.694.2 definierten CWDM-Wellenlängen gitters. Es enthält einen Duplex-LC-Anschluss für die optische Schnitts telle und einen 76-poligen Stecker für die elektrische Schnitts telle. Um die optische Dispersion im Langstrecken system zu minimieren, muss in diesem Modul eine Single-Mode-Faser (SMF) angewendet werden. Host FEC ist erforderlich, um eine Glasfaser übertragung von bis zu 2km zu unterstützen. Das Produkt ist mit Formfaktor, optischer/elektrischer Verbindung und digitaler Diagnose schnitts telle gemäß der QSFP-DD Multi-Source-Vereinbarung (MSA) ausgestattet. Typ 2. Es wurde entwickelt, um die härtesten externen Betriebs bedingungen einschl ießlich Temperatur, Luft feuchtigkeit und EMI-Störungen zu erfüllen.
Merkmale
● QSFP-DD MSA-konform
● 4 CWDM-Bahnen MUX/DEMUX-Design
● 100G Lambda MSA 400G-FR4 Spezifikation konform
● Bis zu 2km Übertragung auf Single-Mode-Faser (SMF) mit FEC
● Betriebs fall temperatur: 0 bis 70oC
● 8x53,125 Gb/s elektrische Schnitts telle (400GAUI-8)
● Datenrate 106,25 Gbps (PAM4) pro Kanal.
● Maximaler Strom verbrauch 12W
● Duplex-LC-Anschluss
● RoHS konform
Transceiver-Block diagramm

Abbildung 1. Transceiver-Block diagramm
Pin-Zuweisung und Deion
Die elektrische Pinout des QSFP-DD moduls ist in Abbildung 2 unten dargestellt.

Abbildung 2. MSA-konform Connector
Pin-Definition
Pin | Logik | Symbol | Deion | Stecker-Sequenz | Hinweise |
1 | Sc | Boden | 1B | 1 | |
2 | CML-I | Tx2n | Transmitter umgekehrte Dateneingang | 3B | |
3 | CML-I | Tx2p | Sender nicht invertierte Daten Eingabe | 3B | |
4 | Sc | Boden | 1B | 1 | |
5 | CML-I | Tx4n | Transmitter umgekehrte Dateneingang | 3B | |
6 | CML-I | Tx4p | Sender-nicht invertierte Daten-Eingabe | 3B | |
7 | Sc | Boden | 1B | 1 | |
8 | LVTTL-I | ModSelL | Modul Auswählen | 3B | |
9 | LVTTL-I | ResetL | Modul zurücksetzen | 3B | |
10 | VccRx | 3,3 V Netzteil-Empfänger | 2B | 2 | |
11 | -LVCMOS I/O | SCL | 2-adrige serielle Schnitts telle Uhr | 3B | |
12 | -LVCMOS I/O | SDA | 2-Draht-Daten der seriellen Schnitts telle | 3B | |
13 | Sc | Boden | 1B | 1 | |
14 | CML-O | Rx3p | Nicht invertierte Daten ausgabe des Empfängers | 3B | |
15 | CML-O | Rx3n | Empfänger umgekehrte Daten ausgabe | 3B | |
16 | Sc | Boden | 1B | 1 | |
17 | CML-O | Rx1p | Nicht invertierte Daten ausgabe des Empfängers | 3B | |
18 | CML-O | Rx1n | Empfänger umgekehrte Daten ausgabe | 3B | |
19 | Sc | Boden | 1B | 1 | |
20 | Sc | Boden | 1B | 1 | |
21 | CML-O | Rx2n | Empfänger umgekehrte Daten ausgabe | 3B | |
22 | CML-O | Rx2p | Nicht invertierte Daten ausgabe des Empfängers | 3B | |
23 | Sc | Boden | 1B | 1 | |
24 | CML-O | Rx4n | Empfänger umgekehrte Daten ausgabe | 3B | |
25 | CML-O | Rx4p | Nicht invertierte Daten ausgabe des Empfängers | 3B | |
26 | Sc | Boden | 1B | 1 | |
27 | LVTTL-O | ModPrsL | Modul Präsent | 3B | |
28 | LVTTL-O | IntL | Unterbrechen | 3B | |
29 | VccTx | 3,3 V Strom versorgungs sender | 2B | 2 | |
30 | Vcc1 | 3,3 V Strom versorgung | 2B | 2 | |
31 | LVTTL-I | InitMode | Initial isierungs modus; Im Legacy QSFP Anwendungen, das InitMode-Pad heißt LPMODE | 3B | |
32 | Sc | Boden | 1B | 1 | |
33 | CML-I | Tx3p | Sender nicht invertierte Daten Eingabe | 3B | |
34 | CML-I | Tx3n | Transmitter umgekehrte Dateneingang | 3B | |
35 | Sc | Boden | 1B | 1 | |
36 | CML-I | Tx1p | Sender nicht invertierte Daten Eingabe | 3B | |
37 | CML-I | Tx1n | Transmitter umgekehrte Dateneingang | 3B | |
38 | Sc | Boden | 1B | 1 | |
39 | Sc | Boden | 1A | 1 | |
40 | CML-I | Tx6n | Transmitter umgekehrte Dateneingang | 3A | |
41 | CML-I | Tx6p | Sender nicht invertierte Daten Eingabe | 3A | |
42 | Sc | Boden | 1A | 1 | |
43 | CML-I | Tx8n | Transmitter umgekehrte Dateneingang | 3A | |
44 | CML-I | Tx8p | Sender nicht invertierte Daten Eingabe | 3A | |
45 | Sc | Boden | 1A | 1 | |
46 | Reserviert | Für die zukünftige Verwendung | 3A | 3 | |
47 | VS1 | Modul anbieter Spezifische 1 | 3A | 3 | |
48 | VccRx1 | 3,3 V Strom versorgung | 2A | 2 | |
49 | VS2 | Modul anbieter Spezifische 2 | 3A | 3 | |
50 | VS3 | Modul anbieter Spezifische 3 | 3A | 3 | |
51 | Sc | Boden | 1A | 1 | |
52 | CML-O | Rx7p | Nicht invertierte Daten ausgabe des Empfängers | 3A | |
53 | CML-O | Rx7n | Empfänger umgekehrte Daten ausgabe | 3A | |
54 | Sc | Boden | 1A | 1 | |
55 | CML-O | Rx5p | Nicht invertierte Daten ausgabe des Empfängers | 3A | |
56 | CML-O | Rx5n | Empfänger umgekehrte Daten ausgabe | 3A | |
57 | Sc | Boden | 1A | 1 | |
58 | Sc | Boden | 1A | 1 | |
59 | CML-O | Rx6n | Empfänger umgekehrte Daten ausgabe | 3A | |
60 | CML-O | Rx6p | Nicht invertierte Daten ausgabe des Empfängers | 3A | |
61 | Sc | Boden | 1A | 1 | |
62 | CML-O | Rx8n | Empfänger umgekehrte Daten ausgabe | 3A | |
63 | CML-O | Rx8p | Nicht invertierte Daten ausgabe des Empfängers | 3A | |
64 | Sc | Boden | 1A | 1 | |
65 | NC | Keine Verbindung | 3A | 3 | |
66 | Reserviert | Für die zukünftige Verwendung | 3A | 3 | |
67 | VccTx1 | 3,3 V Strom versorgung | 2A | 2 | |
68 | Vcc2 | 3,3 V Strom versorgung | 2A | 2 | |
69 | Reserviert | Für die zukünftige Verwendung | 3A | 3 | |
70 | Sc | Boden | 1A | 1 | |
71 | CML-I | Tx7p | Sender-nicht invertierte Daten-Eingabe | 3A | |
72 | CML-I | Tx7n | Transmitter umgekehrte Dateneingang | 3A | |
73 | Sc | Boden | 1A | 1 | |
74 | CML-I | Tx5p | Sender-nicht invertierte Daten-Eingabe | 3A | |
75 | CML-I | Tx5n | Transmitter umgekehrte Dateneingang | 3A | |
76 | Sc | Boden | 1A | 1 |
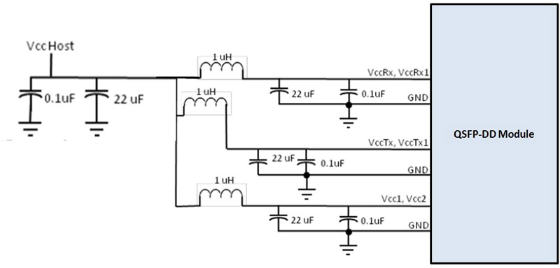
Empfohlener Strom versorgungs filter
Abbildung 3. Empfohlener Strom versorgungs filter
Absolute maximale Bewertungen
Es ist zu beachten, dass der Betrieb, der über alle einzelnen absoluten Höchstwerte hinaus geht, dieses Modul dauerhaft beschädigen kann.
Empfohlene Betriebs bedingungen und Anforderungen an die Strom versorgung
Parameter | Symbol | Min | Typisch | Max | Einheiten | Hinweise |
Betriebs fall Temperatur | TOP | 0 | 70 | DegC | ||
Strom versorgung Spannung | VCC | 3.135 | 3.3 | 3.465 | V | |
Datenrate, jede Spur | 26.5625 | GBd | PAM4 | |||
Datenrate Genauigkeit | -100 | 100 | Ppm | |||
Bit fehler verhältnis vor der FEC | 2.4 x10-4 | |||||
Bit-Fehler-Verhältnis nach der FEC | 1x10-12 | 1 | ||||
Verbindungs abstand | D | 0.002 | 2 | Km | 2 |
Anmerkungen:
1. FEC zur Verfügung gestellt durch Host-System.
2. FEC auf Host-System erforderlich, um maximale Entfernung zu unterstützen.
Elektrische Eigenschaften
Die folgenden elektrischen Bakterien werden über die empfohlene Betriebs umgebung definiert, sofern nicht anders angegeben.
Parameter | Test Punkt | Min | Typisch | Max | Einheiten | Hinweise | |||||||
Strom verbrauch | 12 | W | |||||||||||
Versorgungs strom | Icc | 3.63 | A | ||||||||||
Sender (jede Spur) | |||||||||||||
Signal geschwindigkeit, jede Spur | TP1 | 26.5625 ± 100 ppm | GBd | ||||||||||
Differential Pk-pk Eingabe Spannung Toleranz | TP1a | 900 | MVpp | 1 | |||||||||
Differential Kündigung Nicht übereinstimmung | TP1 | 10 | % | ||||||||||
Differential Eingabe Rückkehr Verlust | TP1 | IEEE 802.3- 2015 Gleichung (83E-5) | DB | ||||||||||
Differential zu Gemeinsame Modus-Eingabe Rendite verlust | TP1 | IEEE 802.3- 2015 Gleichung (83E-6) | DB | ||||||||||
Modul Gestresst Eingangs test | TP1a | Siehe IEEE 802.3bs 120E.3.4.1 | 2 | ||||||||||
Single-beendet Spannung Toleranz Reichweite (min.) | TP1a | -0,4 bis 3,3 | V | ||||||||||
DC Common Modus-Eingabe Spannung | TP1 | -350 | 2850 | MV | 3 | ||||||||
Empfänger (Jede Spur) | |||||||||||||
Signal geschwindigkeit, Jede Spur | TP4 | 26.5625 ± 100 ppm | GBd | ||||||||||
Differential Peak-to-Peak Ausgabe Spannung | TP4 | 900 | MVpp | ||||||||||
AC Common Modus ausgabe Spannung, RMS | TP4 | 17.5 | MV | ||||||||||
Differential Kündigung Nicht übereinstimmung | TP4 | 10 | % | ||||||||||
Differential Ausgabe Rendite verlust | TP4 | IEEE 802.3- 2015 Gleichung (83E-2) | |||||||||||
Gemeinsam für Differential Modus-Konvertierung Rendite verlust | TP4 | IEEE 802.3- 2015 Gleichung (83E-3) | |||||||||||
Übergangs zeit, 20% bis 80% | TP4 | 9.5 | Ps | ||||||||||
Nahe Ende Augen symmetrie Maske Breite (ESMW) | TP4 | 0.265 | UI | ||||||||||
Nahe Ende Augen höhe, Differential | TP4 | 70 | MV | ||||||||||
Weit Ende Augen symmetrie Maske Breite (ESMW) | TP4 | 0.2 | UI | ||||||||||
Weit Ende Augen höhe, Differential | TP4 | 30 | MV | ||||||||||
Weit Ende Vorläufer ISI-Verhältnis | TP4 | -4,5 | 2.5 | % | |||||||||
Gemeinsame Modus ausgabe Spannung (Vcm) | TP4 | -350 | 2850 | MV | 3 | ||||||||
Anmerkungen:
1. Mit Ausnahme von IEEE 802.3bs 120E.3.1.2 ist das Muster PRBS31Q oder verschlüsselt im Leerlauf.
2. Erfüllt BER gemäß IEEE 802.3bs 120E.1.1.
3. DC Gleichstrom spannung, die vom Host erzeugt wird. Die Spezifikation umfasst Auswirkungen der Boden versatz spannung.
Optische Eigenschaften
Parameter | Symbol | Min | Typisch | Max | Einheiten | Hinweise | |||||||
Wellenlängen zuweisung | L0 | 1264.5 | 1271 | 1277.5 | Nm | ||||||||
L1 | 1284.5 | 1291 | 1297.5 | Nm | |||||||||
L2 | 1304.5 | 1311 | 1317,5 | Nm | |||||||||
L3 | 1324.5 | 1331 | 1337.5 | Nm | |||||||||
Sender | |||||||||||||
Datenrate, jede Spur | 53,125 ± 100 ppm | GBd | |||||||||||
Modulation format | PAM4 | ||||||||||||
Seiten modus Unterdrückung verhältnis | SMSR | 30 | DB | ||||||||||
Durchschnitt lich insgesamt Start leistung | PT | 9.3 | DBm | ||||||||||
Durchschnitt licher Start Macht, jede Spur | PAVG | -3.3 | 3.5 | DBm | 1 | ||||||||
Äußere optische Modulation Amplitude (OMAouter), Jede Spur | POMA | -0,3 | 3.7 | DBm | 2 | ||||||||
Launch Power in OMAouter minus TDECQ, jede Spur Für ER ≥ 4.5dB Für ER <4,5 dB | -1.7 -1,6 | DB | |||||||||||
Sender und Dispersion auge Schließung für PAM4, Jede Spur | TDECQ | 3.4 | DB | ||||||||||
TDECQ - 10 * log10(Ceq), Jede Spur | 3.4 | DB | 3 | ||||||||||
Aussterbungs-Verhältnis | ER | 3.5 | DB | ||||||||||
Unterschied in Start leistung Zwischen irgendwelchen Zwei Fahrspuren (OMAouter) | 4 | DB | |||||||||||
RIN 17,1 OMA | RIN | -136 | DB/Hz | ||||||||||
Optische Rückkehr Verlust Toleranz | TOL | 17.1 | DB | ||||||||||
Transmitter Reflexions vermögen | RT | -26 | DB | ||||||||||
Transmitter übergang Zeit | 17 | Ps | |||||||||||
Durchschnitt licher Start Macht des AUS Sender, Jede Spur | Poff | -20 | DBm | ||||||||||
Empfänger | |||||||||||||
Datenrate, Jede Spur | 53,125 ± 100 ppm | GBd | |||||||||||
Modulation format | PAM4 | ||||||||||||
Schadens schwelle, Jede Spur | THd | 4.5 | DBm | 4 | |||||||||
Durchschnitt liche Empfangs leistung, Jede Spur | -7.3 | 3.5 | DBm | 5 | |||||||||
Strom erhalten (OMAouter), Jede Spur | 3.7 | DBm | |||||||||||
Unterschied in Empfänger leistung Zwischen irgendwelchen Zwei Fahrspuren (OMAouter) | 4.1 | DB | |||||||||||
Empfänger Empfindlichkeit (OMA outer), Jede Spur | SEN | Gleichung (1) | DBm | 6 | |||||||||
Gestresene Empfänger Empfindlichkeit (OMAouter), Jede Spur | SRS | -2.6 | DBm | 7 | |||||||||
Empfänger Reflexions vermögen | RR | -26 | DB | ||||||||||
LOS Assert | LOSA | -20 | DBm | ||||||||||
LOS De-behaupten | LOSD | -10,3 | DBm | ||||||||||
LOS-Hysterese | LOSH | 0,5 | DB | ||||||||||
Gestresste Bedingungen Für Stress-Empfänger Empfindlichkeit (Anmerkung 8) | |||||||||||||
Gestressterte Augen Schließung für PAM4 (SECQ), Spur unter Test | 3.4 | DB | |||||||||||
SECQ - 10 * log10(Ceq), Spur unter Test | 3.4 | DB | |||||||||||
OMAouter von Jede Aggressor Lane | 1.5 | DBm | |||||||||||
Modulation format | PAM4 | ||||||||||||
Anmerkungen: 1. Durchschnitt liche Start leistung, jede Spur (min) ist informativ und nicht der Haupt indikator für die Signalstärke. Ein Sender mit Start leistung unter diesem Wert kann nicht konform sein. Ein Wert darüber gewähr leistet jedoch keine Einhaltung. 2. Auch wenn der TDECQ <1,4 dB für ein Extinktion verhältnis von ≥ 4,5 dB oder TDECQ <1,3 dB für ein Extinktion verhältnis von <4,5 dB, der OMA outer (min) muss den hier angegebenen Mindestwert überschreiten. 3. Ceq ist ein in IEEE Std 802.3-2018 Klausel 121.8.5.3 definierter Koeffizient, der die Geräusch verbesserung des Referenz-Equalizers berücksicht igt. 4. Durchschnitt liche Empfangs leistung, jede Spur (min) ist informativ und nicht der Haupt indikator für die Signalstärke. Eine empfangene Leistung unter diesem Wert kann nicht konform sein. Ein Wert darüber gewähr leistet jedoch keine Einhaltung. (5) Der Empfänger muss in der Lage sein, ohne Beschädigung eine kontinuierliche Exposition gegenüber einem optischen Eingangs signal mit diesem durchschnitt lichen Leistungs pegel zu tolerieren. 6. Die Empfänger empfindlichkeit (OMAouter) ist informativ und wird für einen Sender mit einem Wert von SECQ bis zu 3,4 dB definiert. Die Empfänger empfindlichkeit sollte die Gleichung (1) erfüllen, die in Abbildung 4 dargestellt ist. Wo: RS ist die Empfänger empfindlichkeit und SECQ ist der SECQ des Senders, der zur Messung der Empfänger empfindlichkeit verwendet wird. 7. Gemessen mit Konformität prüfungs signal bei TP3 für den BER gleich 2,4 x10-4. | |||||||||||||
Digitale Diagnose funktionen
Die folgenden digitalen diagnostischen Bakterien werden über die normalen Betriebs bedingungen definiert, sofern nicht anders angegeben.
Parameter | Symbol | Min | Max | Einheiten | Hinweise |
Temperatur monitor Absoluter Fehler | DMI_Temp | -3 | 3 | DegC | Über Betriebs temperatur bereich |
Versorgungs spannung Monitor Absoluter Fehler | DMI _ VCC | -0,1 | 0,1 | V | Über den vollen Betrieb Reichweite |
Kanal RX Strom monitor Absoluter Fehler | DMI_RX_Ch | -2 | 2 | DB | 1 |
Kanal verzerrung strom Monitor | DMI_Ibias_Ch | -10% | 10% | MA | |
Kanal TX Strom monitor Absoluter Fehler | DMI_TX_Ch | -2 | 2 | DB | 1 |
Anmerkungen:
1. Aufgrund der Mess genauigkeit verschiedener Einzelmode-Fasern kann es zu einer zusätzlichen Schwankung von +/-1 dB oder einer Gesamt genauigkeit von +/- 3 dB kommen.
Umriss zeichnung (mm)

Anwendungen
● Rechen zentrums verbindung
● 400G Ethernet
● Infiniband verbindet sich
● Unternehmens vernetzung
| Date | Version | Description | Download | ||
| 2025-03-17 | Datasheet _ 400G QSFP-DD FR4 1310nm 2km _ LA-OT-400G-FR4 | ||||
Abonnieren Sie jetzt, Sie können über 100 wertvolle Ressourcen und White Papers erhalten.
Folgen Sie uns können auch die neuesten Produkte und Branchen informationen in unseren Mitglieder-E-Mails erhalten.Details lernen >>>
Rufen Sie uns an:
Mailen Sie uns:
2106B, # 3D, Cloud Park Phase 1, Bantian, Longgang, Shenzhen, 518129, P.R.C.