Dieses Produkt ist ein 400 Gb/s Quad Small Form Factor Plug gable-Double Density (QSFP-DD) optisches Modul für 500m optische Kommunikation anwendungen.
Dieses Produkt ist ein 400 Gb/s Quad Small Form Factor Plug gable-Double Density (QSFP-DD) optisches Modul für 500m optische Kommunikation anwendungen. Das Modul wandelt 8 Kanäle mit elektrischen Eingabedaten von 50 Gb/s (PAM4) in 4 Kanäle paralleler optischer Signale um, die jeweils einen Betrieb von 100 Gb/s für eine aggregierte Datenrate von 400 Gb/s ermöglichen. Umgekehrt wandelt das Modul auf der Empfängers eite 4 Kanäle paralleler optischer Signale von 100 Gb/s pro Kanal für eine aggregierte Datenrate von 400 Gb/s in 8 Kanäle mit 50 Gb/s um (PAM4). elektrische Ausgangs daten. Ein Glasfaser kabel mit einem MTP/MPO-12-Anschluss kann an die QSFP-DD DR4-Modulbuchse anges ch lossen werden. Die richtige Ausrichtung wird durch die Führungs stifte im Inneren des Behälters gewähr leistet. Das Kabel kann normaler weise nicht verdreht werden, um die richtige Kanal-Kanal-Ausrichtung zu gewährleisten. Die elektrische Verbindung wird über einen QSFP-DD MSA-kompatiblen Kanten verbinder erreicht.
Das Produkt ist mit Formfaktor, optischer/elektrischer Verbindung und digitaler Diagnose schnitts telle gemäß dem QSFP-DD Multi-Source Agreement (MSA) Typ 2 ausgestattet. Es wurde entwickelt, um die härtesten externen Betriebs bedingungen einschl ießlich Temperatur, Luft feuchtigkeit und EMI-Störungen zu erfüllen.
Funktionale Deion. Das Modul enthält 4 parallele Kanäle auf einer mittleren Wellenlänge von 1310nm, die mit 100G pro Kanal arbeiten. Der Sender pfad enthält einen Quad-Kanal-EML-Treiber zusammen mit 4 parallelen EMLs. Auf dem Empfänger pfad ist ein PD-Array mit einem Quad-Kanal-TIA verbunden, um den parallelen optischen Eingang von 400 Gb/s in 4 Kanäle mit parallelen elektrischen Signalen von 100 Gb/s (PAM4) umzuwandeln. Ein DSP-Basis getriebe wird verwendet, um 8 Kanäle mit 25GBaud PAM4-Signalen in 4 Kanäle mit 50GBaud PAM4-Signalen umzuwandeln. In diesem DSP sind auch ein 8-Kanal-Retimer und ein FEC-Block integriert. Die elektrische Schnitts telle entspricht IEEE 802.3bs und QSFP-DD MSA in Sende-und Empfangs richtung. Die optische Schnitts telle entspricht QSFP-DD MSA mit MPO-12 Stecker.
Ein einzelnes 3,3 V Netzteil ist erforderlich, um dieses Produkt mit Strom zu versorgen. Alle Strom versorgungs pins sind intern anges ch lossen und sollten gleichzeitig angewendet werden. Gemäß den MSA-Spezifikationen bietet das Modul sieben Hardware-Kontroll pins mit niedriger Geschwindigkeit (einschl ießlich der seriellen 2-Draht-Schnittstelle): ModSelL, SCL, SDA, ResetL, InitMode, ModPrsL und IntL. Modul Select (ModSelL) ist ein Eingangs pin. Wenn dieses Produkt vom Host niedrig gehalten wird, reagiert es auf serielle 2-Draht-Kommunikationsbefehle. Der ModSelL ermöglicht die Verwendung dieses Produkts auf einem einzelnen 2-Draht-Schnittstellenbus-einzelne ModSelL-Leitungen müssen verwendet werden. Serial Clock (SCL) und Serial Data (SDA) sind für die serielle 2-Draht-Bus-Kommunikationsschnitt stelle erforderlich und ermöglichen dem Host den Zugriff auf die Speicher karte.
Der ResetL-Pin ermöglicht ein vollständiges Zurücksetzen und bringt die Einstellungen in den Standard zustand zurück, wenn ein niedriger Pegel auf dem ResetL-Pin länger als die Mindest impuls länge gehalten wird. Während der Ausführung eines Reset muss der Host alle Status bits außer Acht lassen, bis ein Abschluss des Reset-Interrupts angezeigt wird. Das Produkt zeigt dies an, indem es ein IntL-Signal (Interrupt) mit dem in der Speicher karte negierten Bit Data_Not_Ready ver öffentlicht. Beachten Sie, dass das Modul beim Einschalten (einschl ießlich Hot Ion) diesen Abschluss des Reset-Interrupts veröffentlichen sollte, ohne dass ein Reset erforderlich ist. Initial ize Mode (InitMode) ist ein Eingangs signal. Es wird im QSFP-DD modul auf Vcc hochgezogen. Mit dem InitMode-Signal kann der Host definieren, ob das QSFP-DD modul unter der Steuerung der Host-Software (InitMode behauptet High) oder der Modul hardware steuerung (InitMode deasered Low) initial isiert wird. Unter der Steuerung der Host-Software muss das Modul im Low-Power-Modus bleiben, bis die Software den Übergang zum High-Power-Modus ermöglicht, wie in der Spezifikation der QSFP-DD verwaltungs schnitts telle definiert. Unter Hardware-Kontrolle (InitMode de-ased Low) kann das Modul sofort in den High Power-Modus übergehen, nachdem die Verwaltungs schnitts telle initial isiert wurde. Der Host darf den Zustand dieses Signals nicht ändern, während das Modul vorhanden ist. In älteren QSFP-Anwendungen wird dieses Signal LPMode genannt. Siehe SFF-8679 für LPMode-Signal deion. Modul Present (ModPrsL) ist ein lokales Signal für die Host-Platine, das normaler weise in Abwesenheit eines Produkts zum Host-Vcc gezogen wird. Wenn das Produkt in den Stecker ein geliefert wird, ver vollständigt es den Weg zur Erde durch einen Widerstand auf der Host-Platine und setzt das Signal. ModPrsL zeigt dann seine Gegenwart an, indem ModPrsL auf einen "niedrigen" Zustand gesetzt wird.
Interrupt (IntL) ist ein Ausgangs pin. „ Niedrig “weist auf einen möglichen Betriebs fehler oder einen für das Hosts ystem kritischen Status hin. Der Host ident ifi ziert die Quelle des Interrupts mithilfe der seriellen 2-Draht-Schnittstelle. Der IntL-Pin ist ein offener Kollektor ausgang und muss auf die Host-Vcc-Spannung auf der Host-Platine gezogen werden.
Merkmale
● QSFP-DD MSA-konform
● Parallel 4 optische Fahrspuren
● IEEE 802.3bs 400GBASE-DR4 Spezifikation konform
● Bis zu 500m Übertragung auf Single-Mode-Faser (SMF) mit FEC
● Betriebs fall temperatur: 0 bis 70
● 8x53,125 Gb/s elektrische Schnitts telle (400GAUI-8)
● Datenrate 106,25 Gbps (PAM4) pro Kanal
● Maximaler Strom verbrauch 12W
● MPO-12 stecker
● RoHS konform
Transceiver-Block diagramm

Abbildung 1. Transceiver-Block diagramm
Pin-Zuordnung und Beschreibung
Die elektrische Pinout des QSFP-DD moduls ist in Abbildung 2 unten dargestellt.
Abbildung 2. MSA-konform Connector
Pin-Definition
Pin # | Logik | Symbol | Deion | Stecker-Sequenz |
1 | Sc | Boden | 1B | |
2 | CML-I | Tx2n | Transmitter umgekehrte Dateneingang | 3B |
3 | CML-I | Tx2p | Sender-nicht invertierte Daten-Eingabe | 3B |
4 | Sc | Boden | 1B | |
5 | CML-I | Tx4n | Transmitter umgekehrte Dateneingang | 3B |
6 | CML-I | Tx4p | Sender-nicht invertierte Daten-Eingabe | 3B |
7 | Sc | Boden | 1B | |
8 | LVTTL-I | ModSelL | Modul Auswählen | 3B |
9 | LVTTL-I | ResetL | Modul zurücksetzen | 3B |
10 | VccRx | 3,3 V Netzteil-Empfänger | 2B | |
11 | LVCMOS-I/O | SCL | 2-adrige serielle Schnitts telle Uhr | 3B |
12 | LVCMOS-I/O | SDA | 2-Draht-Daten der seriellen Schnitts telle | 3B |
13 | Sc | Boden | 1B | |
14 | CML-O | Rx3p | Nicht invertierte Daten ausgabe des Empfängers | 3B |
15 | CML-O | Rx3n | Empfänger umgekehrte Daten ausgabe | 3B |
16 | Sc | Boden | 1B | |
17 | CML-O | Rx1p | Nicht invertierte Daten ausgabe des Empfängers | 3B |
18 | CML-O | Rx1n | Empfänger umgekehrte Daten ausgabe | 3B |
19 | Sc | Boden | 1B | |
20 | Sc | Boden | 1B | |
21 | CML-O | Rx2n | Empfänger umgekehrte Daten ausgabe | 3B |
22 | CML-O | Rx2p | Nicht invertierte Daten ausgabe des Empfängers | 3B |
23 | Sc | Boden | 1B | |
24 | CML-O | Rx4n | Empfänger umgekehrte Daten ausgabe | 3B |
25 | CML-O | Rx4p | Nicht invertierte Daten ausgabe des Empfängers | 3B |
26 | Sc | Boden | 1B | |
27 | LVTTL-O | ModPrsL | Modul Präsent | 3B |
28 | LVTTL-O | IntL | Unterbrechen | 3B |
29 | VccTx | 3,3 V Strom versorgungs sender | 2B | |
30 | Vcc1 | 3,3 V Strom versorgung | 2B | |
31 | LVTTL-I | InitMode | Initial isierungs modus; In älteren QSFP-Anwendungen wird das InitMode-Pad als LPMODE bezeichnet | 3B |
32 | Sc | Boden | 1B | |
33 | CML-I | Tx3p | Sender-nicht invertierte Daten-Eingabe | 3B |
34 | CML-I | Tx3n | Transmitter umgekehrte Dateneingang | 3B |
35 | Sc | Boden | 1B | |
36 | CML-I | Tx1p | Sender-nicht invertierte Daten-Eingabe | 3B |
37 | CML-I | Tx1n | Transmitter umgekehrte Dateneingang | 3B |
38 | Sc | Boden | 1B | |
39 | Sc | Boden | 1A | |
40 | CML-I | Tx6n | Transmitter umgekehrte Dateneingang | 3A |
41 | CML-I | Tx6p | Sender-nicht invertierte Daten-Eingabe | 3A |
42 | Sc | Boden | 1A | |
43 | CML-I | Tx8n | Transmitter umgekehrte Dateneingang | 3A |
44 | CML-I | Tx8p | Sender-nicht invertierte Daten-Eingabe | 3A |
45 | Sc | Boden | 1A | |
46 | Reserviert | Für die zukünftige Verwendung | 3A | |
47 | VS1 | Modul anbieter Spezifische 1 | 3A | |
48 | VccRx1 | 3,3 V Strom versorgung | 2A | |
49 | VS2 | Modul anbieter Spezifische 2 | 3A | |
50 | VS3 | Modul anbieter Spezifische 3 | 3A | |
51 | Sc | Boden | 1A | |
52 | CML-O | Rx7p | Nicht invertierte Daten ausgabe des Empfängers | 3A |
53 | CML-O | Rx7n | Empfänger umgekehrte Daten ausgabe | 3A |
54 | Sc | Boden | 1A | |
55 | CML-O | Rx5p | Nicht invertierte Daten ausgabe des Empfängers | 3A |
56 | CML-O | Rx5n | Empfänger umgekehrte Daten ausgabe | 3A |
57 | Sc | Boden | 1A | |
58 | Sc | Boden | 1A | |
59 | CML-O | Rx6n | Empfänger umgekehrte Daten ausgabe | 3A |
60 | CML-O | Rx6p | Nicht invertierte Daten ausgabe des Empfängers | 3A |
61 | Sc | Boden | 1A | |
62 | CML-O | Rx8n | Empfänger umgekehrte Daten ausgabe | 3A |
63 | CML-O | Rx8p | Nicht invertierte Daten ausgabe des Empfängers | 3A |
64 | Sc | Boden | 1A | |
65 | NC | Keine Verbindung | 3A | |
66 | Reserviert | Für die zukünftige Verwendung | 3A | |
67 | VccTx1 | 3,3 V Strom versorgung | 2A | |
68 | Vcc2 | 3,3 V Strom versorgung | 2A | |
69 | Reserviert | Für die zukünftige Verwendung | 3A | |
70 | Sc | Boden | 1A | |
71 | CML-I | Tx7p | Sender-nicht invertierte Daten-Eingabe | 3A |
72 | CML-I | Tx7n | Transmitter umgekehrte Dateneingang | 3A |
73 | Sc | Boden | 1A | |
74 | CML-I | Tx5p | Sender-nicht invertierte Daten-Eingabe | 3A |
75 | CML-I | Tx5n | Transmitter umgekehrte Dateneingang | 3A |
76 | Sc | Boden | 1A |
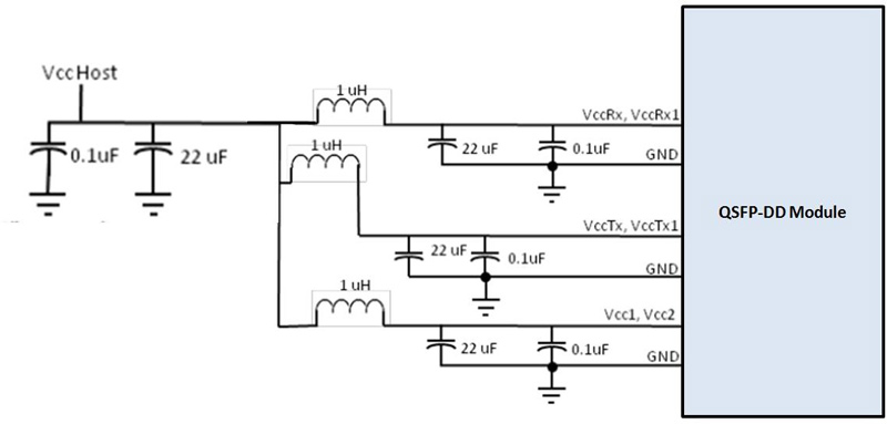
Empfohlener Strom versorgungs filter

Abbildung 3. Empfohlener Strom versorgungs filter
Absolute maximale Bewertungen
Es ist zu beachten, dass der Betrieb, der über alle einzelnen absoluten Höchstwerte hinaus geht, dieses Modul dauerhaft beschädigen kann.
Parameter | Symbol | Min | Max | Einheiten | Hinweise |
Lagerte mperatur | TS | -40 | 85 | DegC | |
Betriebs fall Temperatur | TOP | 0 | 70 | DegC | |
Strom versorgung Spannung | VCC | -0,5 | 3.6 | V | |
Relative Luft feuchtigkeit (Nicht kondensation) | RH | 0 | 85 | % | |
Schadens schwelle, Jede Spur | THd | 5 | DBm |
Empfohlene Betriebs bedingungen und Anforderungen an die Strom versorgung
Parameter | Symbol | Min | Typisch | Max | Einheiten | Hinweise |
Betrieb Fall Temperatur | TOP | 0 | 70 | DegC | ||
Strom versorgung V Oltage | VCC | 3.135 | 3.3 | 3.465 | V | |
Datenrate, Jede Spur | 26.5625 | GBd | PAM4 | |||
Datenrate Genauigkeit | -100 | 100 | Ppm | |||
Pre-FEC-Bit Fehler verhältnis | 2.4 x10-4 | |||||
Post-FEC-Bit Fehler verhältnis | 1x10-12 | 1 | ||||
Verbindungs abstand | D | 2 | 500 | M | 2 |
Anmerkungen:
FEC zur Verfügung gestellt vom Host-System.
FEC ist auf dem Host-System erforderlich, um maximale Entfernung zu unterstützen.
Elektrische Eigenschaften
Die folgenden elektrischen Bakterien werden über die empfohlene Betriebs umgebung definiert, sofern nicht anders angegeben.
Parameter | Test punkt | Min | Typisch | Max | Einheiten | Hinweise |
Strom verbrauch | 12 | W | ||||
Versorgungs strom | Icc | 3.64 | A | |||
Sender (jede Spur) | ||||||
Signal geschwindigkeit, Jede Spur | TP1 | 26.5625 ± 100 ppm | GBd | |||
Differential pk-pk Eingangs spannungs toleranz | TP1a | 900 | MVpp | 1 | ||
Differential Kündigung Nicht übereinstimmung | TP1 | 10 | % | |||
Differenz ielle Eingabe Rendite verlust | TP1 | IEEE 802.3- 2015 Gleichung (83E-5) | DB | |||
Differential zu Gemeinsamer Modus Eingabe rückgabe verlust | TP1 | IEEE 802.3- 2015 Gleichung (83E-6) | DB | |||
Modul gestresst Eingangs test | TP1a | Siehe IEEE 802.3bs 120E.3.4.1 | 2 | |||
Single-beendet Spannungs toleranz Reichweite (min.) | TP1a | -0,4 bis 3,3 | V | |||
DC Common Modus-Eingabe Spannung | TP1 | -350 | 2850 | MV | 3 | |
Empfänger (jede Spur) | ||||||
Signal geschwindigkeit, Jede Spur | TP4 | 26.5625 ± 100 ppm | GBd | |||
Differential Peak-to-Peak Ausgangs spannung | TP4 | 900 | MVpp | |||
AC Common Modus ausgabe Spannung, RMS | TP4 | 17.5 | MV | |||
Differential Nicht übereinstimmung mit der Beendigung | TP4 | 10 | % | |||
Differenz ielle Leistung Rendite verlust | TP4 | IEEE 802.3- 2015 Gleichung (83E-2) | ||||
Gemeinsam für Differential modus Verlust der Umwandlung rendite | TP4 | IEEE 802.3- 2015 Gleichung (83E-3) | ||||
Übergangs zeit, 20% bis 80% | TP4 | 9.5 | Ps | |||
Nahe Ende Augen symmetrie Masken breite (ESMW) | TP4 | 0.265 | UI | |||
Nahe-Ende-Auge Höhe, Differential | TP4 | 70 | MV | |||
Weit im Auge Symmetrie maske Breite (ESMW) | TP4 | 0.2 | UI | |||
Weit im Auge Höhe, Differential | TP4 | 30 | MV | |||
Weit Ende Vorläufer ISI-Verhältnis | TP4 | -4,5 | 2.5 | % | ||
Gemeinsamer Modus Ausgangs spannung (Vcm) | TP4 | -350 | 2850 | MV | 3 | |
Anmerkungen:
Mit Ausnahme von IEEE 802.3bs 120E.3.1.2 ist das Muster PRBS31Q oder verschlüsselt im Leerlauf.
Erfüllt den in IEEE 802.3bs 120E.1.1 angegebenen BER.
Gleichstrom-Gleichstrom spannung, die vom Host erzeugt wird. Die Spezifikation umfasst Auswirkungen der Boden versatz spannung.
Optische Eigenschaften
Parameter | Symbol | Min | Typisch | Max | Einheiten | Hinweise |
Mittelwellenlänge | Λc | 1304.5 | 1310 | 1317,5 | Nm | |
Sender | ||||||
Datenrate, Jede Spur | 53,125 ± 100 ppm | GBd | ||||
Modulation format | PAM4 | |||||
Seiten modus Unterdrückung verhältnis | SMSR | 30 | DB | |||
Durchschnitt licher Start Macht, jede Spur | PAVG | -2.9 | 4 | DBm | 1 | |
Äußere optische Modulation Amplitude (OMAouter), Jede Spur | POMA | -0,8 | 4.2 | DBm | 2 | |
Launch Power in OMAouter Minus TDECQ), Jede Spur Für ER ≥ 5dB Für ER < 5dB | -2.2 -1.9 | DB | ||||
Sender und Dispersion auge Schließung für PAM4, Jede Spur | TDECQ | 3.4 | DB | |||
TDECQ - 10 * log10(Ceq), Jede Spur | 3.4 | DB | 3 | |||
Aussterbungs-Verhältnis | ER | 3.5 | DB | |||
RIN 21.4OMA | RIN | -136 | DB/Hz | |||
Optische Rückkehr Verlust Toleranz | TOL | 21.4 | DB | |||
Transmitter Reflexions vermögen | TR | -26 | DB | |||
Transmitter Übergangs zeit | 17 | Ps | ||||
Durchschnitt licher Start Macht des AUS Sender, Jede Spur | Poff | -15 | DBm | |||
Empfänger | ||||||
Datenrate, jede Spur | 53,125 ± 100 ppm | GBd | ||||
Modulation format | PAM4 | |||||
Schadens schwelle, Jede Spur | THd | 5 | DBm | 4 | ||
Durchschnitt licher Empfang Macht, jede Spur | -5.9 | 4 | DBm | 5 | ||
Strom erhalten (OMAouter), jede Spur | 4.2 | DBm | ||||
Empfänger empfindlichkeit (OMAouter), jede Spur | SEN | Gleichung (1) | DBm | 6 | ||
Gestresene Empfänger Empfindlichkeit (OMA outer), Jede Spur | SRS | -1.9 | DBm | 7 | ||
Empfänger Reflexions vermögen | RR | -26 | DB | |||
LOS Assert | LOSA | -15 | DBm | |||
LOS De-behaupten | LOSD | -8.9 | DBm | |||
LOS-Hysterese | LOSH | 0,5 | DB | |||
Gestresste Bedingungen Für Stress-Empfänger Empfindlichkeit (Anmerkung 8) | ||||||
Gestressterte Augen Schließung für PAM4 (SECQ), Spur unter Test | 3.4 | DB | ||||
SECQ - 10 * log10(Ceq), Spur unter Test | 3.4 | DB | ||||
OMAouter von Jede Aggressor Lane | 4.2 | DBm | ||||
Anmerkungen:
1. Durchschnitt liche Start leistung, jede Spur (min) ist informativ und nicht der Haupt indikator für die Signalstärke. Ein Sender mit Start leistung unter diesem Wert kann nicht konform sein. Ein Wert darüber gewähr leistet jedoch keine Einhaltung.
2. Selbst wenn der TDECQ <1,4 dB für ein Extinktion verhältnis von ≥ 5dB oder TDECQ <1,1 dB für ein Extinktion verhältnis von <5dB ist, muss der OMA outer (min) den hier angegebenen Mindestwert überschreiten.
3. Ceq ist ein in IEEE Std 802.3-2018 Klausel 121.8.5.3 definierter Koeffizient, der die Geräusch verbesserung des Referenz-Equalizers berücksicht igt.
4. Durchschnitt liche Empfangs leistung, jede Spur (min) ist informativ und nicht der Haupt indikator für die Signalstärke. Eine empfangene Leistung unter diesem Wert kann nicht konform sein. Ein Wert darüber gewähr leistet jedoch keine Einhaltung.
(5) Der Empfänger muss in der Lage sein, ohne Beschädigung eine kontinuierliche Exposition gegenüber einem modulierten optischen Eingangs signal mit diesem Leistungs pegel auf einer Spur zu tolerieren. Der Empfänger muss bei dieser Eingangs leistung nicht korrekt arbeiten.
6. Empfänger empfindlichkeit (OMAouter), jede Spur (max) ist informativ und für einen Sender mit einem Wert von SECQ bis zu 3,4 dB definiert. Es sollte die Gleichung (1) erfüllen, die in Abbildung 4 dargestellt ist.
Wo:
RS ist die Empfänger empfindlichkeit und
SECQ ist der SECQ des Senders, der zur Messung der Empfänger empfindlichkeit verwendet wird.
7. Gemessen mit Konformität prüfungs signal bei TP3 für den BER gleich 2,4 x10-4.
8. Diese Test bedingungen dienen zur Messung der Empfindlichkeit des gestressten Empfängers. Sie sind keine Bakterien des Empfängers.

Abbildung 4. Abbildung der Empfänger-Empfindlichkeit maske für 400G-DR4
Digitale Diagnose funktionen
Die folgenden digitalen diagnostischen Bakterien werden über die normalen Betriebs bedingungen definiert, sofern nicht anders angegeben.
Parameter | Symbol | Min | Max | Einheiten | Hinweise |
Temperatur monitor Absoluter Fehler | DMI_Temp | -3 | 3 | DegC | Über Betriebs temperatur bereich |
Versorgungs spannungs monitor Absoluter Fehler | DMI _ VCC | -0,1 | 0,1 | V | Über den vollen Betrieb Reichweite |
RX-Strom versorgung Absoluter Fehler überwachen | DMI_RX_Ch | -2 | 2 | DB | 1 |
Kanal verzerrung strom Monitor | DMI_Ibias_Ch | -10% | 10% | MA | |
Kanal TX Strom monitor Absoluter Fehler | DMI_TX_Ch | -2 | 2 | DB | 1 |
Anmerkungen:
Aufgrund der Mess genauigkeit verschiedener Einzelmodus-Fasern kann es zu einer zusätzlichen Schwankung von/-1 dB oder einer Gesamt genauigkeit von/- 3 dB kommen.
Umriss zeichnung (mm)

ESD
Dieser Transceiver ist spezifiziert als ESD-Schwelle 1kV für Hochgeschwindigkeits-Daten pins und 2kV für alle anderen elektrischen Eingangs pins, getestet nach MIL-STD-883, Methode 3015,4/JESD22-A114-A (HBM). Während der Handhabung dieses Moduls sind jedoch weiterhin normale ESD-Vorsicht maßnahmen erforderlich. Dieser Transceiver wird in einer ESD-Schutz verpackung versendet. Es sollte aus der Verpackung entfernt und nur in einer ESD-geschützten Umgebung gehandhabt werden.
Lasers icherheit
Dies ist ein Laser produkt der Klasse 1 gemäß EN 60825-1:2014. Dieses Produkt entspricht 21 CFR 1040.10 und 1040.11, mit Ausnahme von Abweichungen gemäß der Laser mitteilung Nr. 50vom 24. Juni 2007.
Achtung: Die Verwendung von Kontrollen oder Anpassungen oder die Durchführung anderer als der hier angegebenen Verfahren kann zu einer gefährlichen Strahlen exposition führen.
Anwendungen
● 400G Ethernet
● InfiniBand verbindet sich
| Date | Version | Description | Download | ||
| 2025-03-17 | Datasheet _ 400G QSFP-DD DR4 1310nm 500m _ LA-OT-400G-DR4 | ||||
Abonnieren Sie jetzt, Sie können über 100 wertvolle Ressourcen und White Papers erhalten.
Folgen Sie uns können auch die neuesten Produkte und Branchen informationen in unseren Mitglieder-E-Mails erhalten.Details lernen >>>
Rufen Sie uns an:
Mailen Sie uns:
2106B, # 3D, Cloud Park Phase 1, Bantian, Longgang, Shenzhen, 518129, P.R.C.