Dieses Produkt ist ein 200 Gb/s Quad Small Form Factor Plug gable-Double Density (QSFP-DD) optisches Modul für optische Kommunikation anwendungen.
Dieses Produkt ist ein 200 Gb/s Quad Small Form Factor Plug gable-Double Density (QSFP-DD) optisches Modul für optische Kommunikation anwendungen. Das Modul wandelt 8 Kanäle mit elektrischen Eingabedaten von 25 Gb/s (NRZ) in 4 Kanäle LAN-WDM optischer Signale um und multiplext sie in einen einzigen Kanal für eine optische Übertragung von 200 Gb/s(PMA4). Umgekehrt de-multiplext das Modul auf der Empfängers eite optisch einen optischen Eingang von 200 Gb/s(PMA4) in 4 Kanäle optischer WDM-Signale. und wandelt sie in 8 Kanäle mit 25 Gb/s (NRZ) elektrischen Ausgangs daten um. Die zentralen Wellenlängen der 4 LAN-WDM-Kanäle sind 1295,56, 1300.05, 1304.58 und 1309.14 nm als Mitglieder des in IEEE 802.3ba definierten LAN-WDM-Wellenlängen rasters. Es enthält einen Duplex-LC-Anschluss für die optische Schnitts telle und einen 76-poligen Stecker für die elektrische Schnitts telle. Um die optische Dispersion im Langstrecken system zu minimieren, muss in diesem Modul eine Single-Mode-Faser (SMF) angewendet werden. Es kann bis zu 30km mit 200G FEC und 40km mit eingebautem PFEC unterstützen. Das Produkt ist mit Formfaktor, optischer/elektrischer Verbindung und digitaler Diagnose schnitts telle gemäß der QSFP-DD Multi-Source-Vereinbarung (MSA) konzipiert. Es wurde entwickelt, um die härtesten externen Betriebs bedingungen einschl ießlich Temperatur, Luft feuchtigkeit und EMI-Störungen zu erfüllen.
Merkmale
● QSFP-DD MSA-konform
● 4 LWDM-Bahnen MUX/DEMUX-Design
● Bis zu 40km Übertragung auf Single-Mode-Faser (SMF) mit eingebautem PFEC
● Betriebs fall temperatur: 0 bis 70oC
● Maximaler Strom verbrauch 12W
● Duplex-LC-Anschluss
● RoHS konform
Transceiver-Block diagramm

Abbildung 1. Transceiver-Block diagramm
Pin-Zuweisung und Deion
Die elektrische Pinout des QSFP-DD moduls ist in Abbildung 2 unten dargestellt.

Abbildung 2. MSA-konform Connector
Pin-Definition
37 | CML-I | Tx1n | Transmitter umgekehrte Dateneingang | 3B | |
38 | Sc | Boden | 1B | 1 | |
39 | Sc | Boden | 1A | 1 | |
40 | CML-I | Tx6n | Transmitter umgekehrte Dateneingang | 3A | |
41 | CML-I | Tx6p | Sender nicht invertierte Daten Eingabe | 3A | |
42 | Sc | Boden | 1A | 1 | |
43 | CML-I | Tx8n | Transmitter umgekehrte Dateneingang | 3A | |
44 | CML-I | Tx8p | Sender nicht invertierte Daten Eingabe | 3A | |
45 | Sc | Boden | 1A | 1 | |
46 | Reserviert | Für die zukünftige Verwendung | 3A | 3 | |
47 | VS1 | Modul anbieter Spezifische 1 | 3A | 3 | |
48 | VccRx1 | 3,3 V Strom versorgung | 2A | 2 | |
49 | VS2 | Modul anbieter Spezifische 2 | 3A | 3 | |
50 | VS3 | Modul anbieter Spezifische 3 | 3A | 3 | |
51 | Sc | Boden | 1A | 1 | |
52 | CML-O | Rx7p | Nicht invertierte Daten ausgabe des Empfängers | 3A | |
53 | CML-O | Rx7n | Empfänger umgekehrte Daten ausgabe | 3A | |
54 | Sc | Boden | 1A | 1 | |
55 | CML-O | Rx5p | Nicht invertierte Daten ausgabe des Empfängers | 3A | |
56 | CML-O | Rx5n | Empfänger umgekehrte Daten ausgabe | 3A | |
57 | Sc | Boden | 1A | 1 | |
58 | Sc | Boden | 1A | 1 | |
59 | CML-O | Rx6n | Empfänger umgekehrte Daten ausgabe | 3A | |
60 | CML-O | Rx6p | Nicht invertierte Daten ausgabe des Empfängers | 3A | |
61 | Sc | Boden | 1A | 1 | |
62 | CML-O | Rx8n | Empfänger umgekehrte Daten ausgabe | 3A | |
63 | CML-O | Rx8p | Nicht invertierte Daten ausgabe des Empfängers | 3A | |
64 | Sc | Boden | 1A | 1 | |
65 | NC | Keine Verbindung | 3A | 3 | |
66 | Reserviert | Für die zukünftige Verwendung | 3A | 3 | |
67 | VccTx1 | 3,3 V Strom versorgung | 2A | 2 | |
68 | Vcc2 | 3,3 V Strom versorgung | 2A | 2 | |
69 | Reserviert | Für die zukünftige Verwendung | 3A | 3 | |
70 | Sc | Boden | 1A | 1 | |
71 | CML-I | Tx7p | Sender-nicht invertierte Daten-Eingabe | 3A | |
72 | CML-I | Tx7n | Transmitter umgekehrte Dateneingang | 3A | |
73 | Sc | Boden | 1A | 1 | |
74 | CML-I | Tx5p | Sender-nicht invertierte Daten-Eingabe | 3A | |
75 | CML-I | Tx5n | Transmitter umgekehrte Dateneingang | 3A | |
76 | Sc | Boden | 1A | 1 |
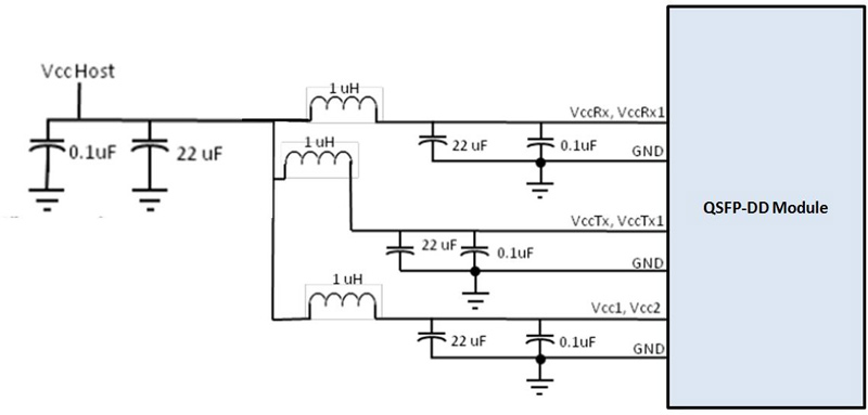
Empfohlener Strom versorgungs filter
Abbildung 3. Empfohlener Strom versorgungs filter
Absolute maximale Bewertungen
Es ist zu beachten, dass der Betrieb, der über alle einzelnen absoluten Höchstwerte hinaus geht, dieses Modul dauerhaft beschädigen kann.
Parameter | Symbol | Min | Max | Einheiten | Hinweise |
Lagerte mperatur | TS | -40 | 85 | DegC | |
Betriebs fall Temperatur | TOP | 0 | 70 | DegC | |
Strom versorgungs spannung | VCC | -0,5 | 3.6 | V | |
Relative Luft feuchtigkeit (Nicht kondensation) | RH | 0 | 85 | % | |
Schadens schwelle, Jede Spur | THd | -5.0 | DBm |
Empfohlene Betriebs bedingungen und Anforderungen an die Strom versorgung
Parameter | Symbol | Min | Typisch | Max | Einheiten | Hinweise |
Betriebs fall Temperatur | TOP | 0 | 70 | DegC | ||
Strom versorgung Spannung | VCC | 3.135 | 3.3 | 3.465 | V | |
Datenrate, jede Spur | 26.5625 | GBd | PAM4 | |||
Datenrate Genauigkeit | -100 | 100 | Ppm | |||
Bit fehler verhältnis vor der FEC | 2.4 x10-4 | |||||
Bit-Fehler-Verhältnis nach der FEC | 1x10-12 | 1 | ||||
Verbindungs abstand | D | 0.002 | 30 | Km | 2 | |
Verbindungs abstand | D | 0.002 | 40 | Km | 3 |
Anmerkungen:
1. FEC zur Verfügung gestellt durch Host-System.
2. FEC auf Host-System erforderlich, um maximale Entfernung zu unterstützen.
3. eingebaute PFEC ist erforderlich, um bis zu 40km zu unterstützen
Elektrische Eigenschaften
Die folgenden elektrischen Bakterien werden über die empfohlene Betriebs umgebung definiert, sofern nicht anders angegeben.
Parameter | Test punkt | Min | Typisch | Max | Einheiten | Hinweise | ||||
12 | Versorgung Strom | 3.64 | Signal ingRate,eachLane | 26.5625 ± 100ppm | Differentiale Input Volta geToleranz | 900 | 1 | |||
Kündigung Nicht übereinstimmung | 10 | Differential Input Return Loss | IEEE 802.3- Gleichung DB | |||||||
TP1 | 2015 (83E-6) | dB | ||||||||
Modul gestresst Eingangs test | TP1a | Siehe IEEE 802.3bs 120E.3.4.1 | 2 | |||||||
Single-beendet Spannungs toleranz Reichweite (min.) | TP1a | -0,4 bis 3,3 | V | |||||||
DC Common Modus-Eingabe Spannung | TP1 | -350 | 2850 | |||||||
Empfänger (jede Spur) | ||||||||||
Signal geschwindigkeit, Jede Spur | TP4 | 26.5625 ± 100 ppm | GBd | |||||||
Differential Peak-to-Peak Ausgangs spannung | TP4 | 900 | ||||||||
Differential Kündigung Nicht übereinstimmung | TP4 | 10 | ||||||||
Differential Ausgabe Rückkehr Verlust | TP4 | IEEE 802.3- 2015 Gleichung (83E-2) | ||||||||
Gemeinsam für Differential Modus Umwandlung Rendite verlust | TP4 | IEEE 802.3- 2015 Gleichung (83E-3) | ||||||||
Übergang Zeit, 20% Zu 80% | TP4 | 9.5 | ||||||||
Nahe Ende Auge Symmetrie Maske Breite (ESMW) | TP4 | 0.265 | ||||||||
Nahe Ende Auge Höhe, Differential | TP4 | 70 | ||||||||
Weit im Auge Symmetrie Maske Breite (ESMW) | TP4 | 0.2 | ||||||||
Weit Ende Auge Höhe, Differential | TP4 | 30 | ||||||||
Weit Ende Vorläufer ISI-Verhältnis | TP4 | -4,5 | 2.5 | |||||||
Gemeinsame Modus Ausgabe Spannung (Vcm) | TP4 | -350 | 2850 | |||||||
Anmerkungen:
1. Mit Ausnahme von IEEE 802.3bs 120E.3.1.2 ist das Muster PRBS31Q oder verschlüsselt im Leerlauf.
2. Erfüllt BER gemäß IEEE 802.3bs 120E.1.1.
3. DC Gleichstrom spannung, die vom Host erzeugt wird. Die Spezifikation umfasst Auswirkungen der Boden versatz spannung.
Optische Eigenschaften
Parameter | Symbol | Min | Typisch | Max | Einheiten | Hinweise |
Wellenlänge Zuweisung | L0 | 1294.53 | 1295.56 | 1296.59 | Nm | |
L1 | 1299.02 | 1300.05 | 1301.09 | Nm | ||
L2 | 1303.54 | 1304.58 | 1305.63 | Nm | ||
L3 | 1308.09 | 1309.14 | 1310.19 | Nm | ||
Sender | ||||||
Datenrate, jede Spur | 53,125 ± 100 ppm | GBd | ||||
Modulation format | PAM4 | |||||
Seiten modus Unterdrückung verhältnis | SMSR | 30 | DB | |||
Durchschnitt lich insgesamt Start leistung | PT | 14.7 | DBm | |||
Durchschnitt liche Start leistung, Jede Spur | PAVG | -0,1 | 5.6 | DBm | ||
Äußere optische Modulation Amplitude (OMAouter), Jede Spur | POMA | 3.4 | 6.4 | DBm | ||
Launch Power in OMAouter minus TDECQ, jede Spur | 3 | DB | ||||
Sender und Dispersion Augen verschluss Für PAM4, jede Spur | TDECQ | 3.2 | DB | |||
Aussterbungs-Verhältnis | ER | 6 | DB | |||
Unterschied in Start leistung Zwischen irgendwelchen Zwei Fahrspuren (OMAouter) | 4 | DB | ||||
RIN 15,1 OMA | RIN | -132 | DB/Hz | |||
Optische Rückkehr Verlust Toleranz | TOL | 15.1 | DB | |||
Transmitter Reflexions vermögen | RT | -26 | DB | |||
Durchschnitt licher Start Macht des AUS Sender, Jede Spur | Poff | -30 | DBm | |||
Empfänger | ||||||
Datenrate, jede Spur | 53,125 ± 100 ppm | GBd | ||||
Modulation format | PAM4 | |||||
Empfindlichkeit, jede Spur | Sen1 | MAX (-11.1, SECQ-12.5) | DBm | Für 30km | ||
Empfindlichkeit, jede Spur | Sen2 | MAX (-14.1, SECQ-15.5) | DBm | Für 40km | ||
Gestresste Bedingungen für die Empfindlichkeit des Stress empfängers (Anmerkung 8) | ||||||
Gestresste Augen schließung Für PAM4 (SECQ), Spur unter Test | 3.4 | DB | ||||
SECQ - 10 * log10(Ceq), Spur unter Test | DB | |||||
OMAouter von Jede Aggressor Lane | -8 | DBm | ||||
Digitale Diagnose funktionen
Parameter | Symbol | Min | Max | Einheiten | Hinweise |
Temperatur monitor Absoluter Fehler | DMI_Temp | -3 | 3 | DegC | Über Betriebs temperatur bereich |
Versorgungs spannung Monitor Absoluter Fehler | DMI _ VCC | -0,1 | 0,1 | V | Über den vollen Betrieb Reichweite |
RX-Strom versorgung Absoluter Fehler überwachen | DMI_RX_Ch | -2 | 2 | DB | 1 |
Kanal verzerrung Aktueller Monitor | DMI_Ibias_Ch | -10% | 10% | MA | |
Strom versorgung des Senders TX Monitor Absoluter Fehler | DMI_TX_Ch | -2 | 2 | DB | 1 |
Die folgenden digitalen diagnostischen Bakterien werden über die normalen Betriebs bedingungen definiert, sofern nicht anders angegeben.
Anmerkungen:
4. Aufgrund der Mess genauigkeit verschiedener Einzelmode-Fasern kann es zu einer zusätzlichen Schwankung von +/-1 dB oder einer Gesamt genauigkeit von +/- 3 dB kommen.
Umriss zeichnung (mm)

Anwendungen
● 5G-Netzwerk
● 200G Ethernet
● Unternehmens vernetzung
| Date | Version | Description | Download | ||
| 2025-03-17 | Datasheet _ 200G QSFP-DD ER4 1310nm 40km _ LA-OT-200G-ER4 | ||||
Abonnieren Sie jetzt, Sie können über 100 wertvolle Ressourcen und White Papers erhalten.
Folgen Sie uns können auch die neuesten Produkte und Branchen informationen in unseren Mitglieder-E-Mails erhalten.Details lernen >>>
Rufen Sie uns an:
Mailen Sie uns:
2106B, # 3D, Cloud Park Phase 1, Bantian, Longgang, Shenzhen, 518129, P.R.C.