Entwickelt für den Einsatz in 10-Gigabit-Ethernet-Links bis zu 60km über Single-Mode-Glasfaser. Das Modul besteht aus CWDM EML Laser.
Entwickelt für den Einsatz in 10-Gigabit-Ethernet-Links bis zu 60km über Single-Mode-Glasfaser. Das Modul besteht aus CWDM EML Laser, APD und Vorverstärker in einer hoch integrierten optischen Unterbau gruppe. Digitale Diagnose funktionen sind über eine serielle 2-Draht-Schnittstelle verfügbar, wie in SFF8472. Die Modul daten verbinden bis zu 60km in 9/125um Single-Mode-Faser.
Merkmale
● Konform mit SFP-SFF-8431 und SFF-8432 Hot-Plug-fähigen SFP-Fußabdruck
● Unterstützt 9,5 bis 11,3 Gb/s Bit raten
● Verlust leistung <1,5 W
● Einzelnes 3,3 V Netzteil
● Maximale Verbindungs länge von 60km
● CWDM-Wellenlängen-EML-Sender, APD-Foto detektor
● Duplex-LC-Anschluss
● Verlust leistung <1,5 W
● Eingebaute digitale Diagnose funktionen
● Fall temperatur bereich: 0 °C bis 70 °C
Absolute maximale Bewertungen
Parameter | Symbol | Min. | Typ. | Max. | Einheit | Hinweis |
Lagerte mperatur | Ts | -40 | 85 | °C | ||
Speicher-Ambiente Luft feuchtigkeit | HA | 5 | 85 | % | ||
Strom versorgung Spannung | VCC | -0,5 | 4 | V | ||
Signal-Eingabe Spannung | -0,3 | Vcc + 0,3 | V | |||
Schaden des Empfängers Schwelle | + 4 | DBm |
Betriebs umgebung
Parameter | Symbol | Min. | Typ. | Max. | Einheit | Hinweis |
Betriebs fall Temperatur | Tcase | 0 | 70 | °C | Anmerkung (1) | |
Umgebungs feuchtigkeit | HA | 5 | 85 | % | ||
Strom versorgungs spannung | VCC | 3.14 | 3.3 | 3.46 | V | |
Strom versorgungs strom | ICC | 450 | MA | |||
Strom versorgung Geräusch abweisung | 100 | MVp-p | 100Hz bis 1MHz | |||
Übertragungs distanz | 60 | Km | ||||
Gekoppelte Faser | Single-Mode-Faser | ITU-T G.653 | ||||
Hinweis: -10 bis 60degC mit 1,5 m/s Luftstrom
Optische Eigenschaften
Parameter | Symbol | Min. | Typ. | Max. | Einheit | Hinweis |
Sender | ||||||
Durchschnitt lich gestartet Macht | PO | -2 | 5 | DBm | Anmerkung (1) | |
Aussterbungs-Verhältnis | ER | 6 | DB | |||
Mittelwellenlänge | Λc | 1470 | 1610 | Nm | ||
Wellenlängen raum im Zentrum | 20 | Nm | ||||
Spektrum band Breite (RMS) | Σ | 1.0 | Nm | |||
SMSR | 30 | DB | ||||
Sender AUS Ausgangs leistung | POff | -40 | DBm | |||
TX Jitter (Peak-Peak) | Txj | 0,1 | UI | |||
TX Jitter (RMS) | Txjrms | 0,01 | UI | |||
Sender und Dispersion strafe | TDP | 3.0 | DB | |||
Output-Augen maske | Konform mit IEEE 0802.3ae | |||||
Empfänger | ||||||
Optische Eingabe Wellenlänge | Λ | 1270 | 1610 | Nm | ||
Empfänger empfindlichkeit | -22 | DBm | Anmerkung (2) | |||
Eingangs sättigung Leistung (Überlastung) | Psat | -8 | DBm | |||
LOS-Detect- Macht geltend machen | PA | -36 | DBm | |||
LOS-Detect- Tunter macht | PD | -23 | DBm | |||
LOS Erkennen Sie Hysterese | PHYS | 2 | DB | |||
Anmerkung:
1. Startete Leistung (avg.) ist Strom, der in eine Single-Mode-Faser mit Stecker gekoppelt ist. (Vor dem Leben)
2. Gemessen mit Konformität tests ignal für BER = 10 ^-12.@ 10.3125Gbps, PRBS = 2 ^ 31-1, NRZ
Elektrische Eigenschaften
Parameter | Symbol | Min. | Typ. | Max. | Einheit | Hinweis | |
Sender | |||||||
Differential linie Eingangs impedanz | RIN | 100 | Ohm | ||||
Different ielle Daten Eingangs schaukel | VDT | 300 | 700 | MVp-p | |||
Übertragen Sie deaktivieren Spannung | Vdis | 2 | Vcc | V | LVTTL | ||
Übertragen Sie aktivieren Spannung | Ven | Vee | Vee 0,8 | V | |||
Empfänger | |||||||
Different ielle Daten Ausgangs schaukel | VDR | 400 | 850 | MVp-p | Anmerkung (1) | ||
LOS-Ausgabe Spannung-Hoch | VLOSH | Vee | Vee 0,8 | V | LVTTL | ||
LOS-Ausgabe Spannung-Niedrig | VLOSL | 2 | VccHOST | V | |||
Hinweis: In 100Ω Differential beendigung.
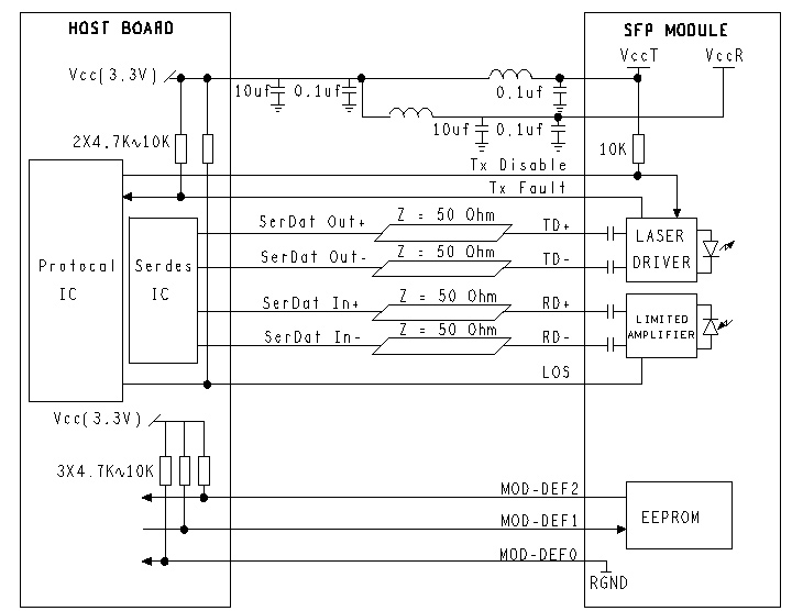
Pin-Beschreibung

Pin | Symbol | Name/Beschreibung | Hinweis |
1 | VEET | Sender boden (gemeinsam mit Empfänger boden) | 1 |
2 | TFEHLER | Sender fehler. | 2 |
3 | TDIS | Sender deaktivieren. Laser leistung deaktiviert auf hoch oder offen. | 3 |
4 | SDA | 2-adrige serielle Schnitts telle Datenleitung | 4 |
5 | SCL | 2-Draht-Serielle Schnitts telle Clock Line | 4 |
6 | MOD_ABS | Modul Abwesend. Innerhalb des Moduls geerdet | 4 |
7 | RS0 | Rate Wählen Sie 0 | 5 |
8 | LOS | Verlust der Signal anzeige. Logik 0 zeigt den normalen Betrieb an. | 6 |
9 | RS1 | Keine Verbindung erforderlich | 1 |
10 | VEER | Empfänger Boden (gemeinsam mit Sender Boden) | 1 |
11 | VEER | Empfänger Boden (gemeinsam mit Sender Boden) | 1 |
12 | RD- | Empfänger umgekehrte DATA aus. AC gekoppelt | |
13 | RD | Empfänger Nicht invertierte DATA aus. AC gekoppelt | |
14 | VEER | Empfänger Boden (gemeinsam mit Sender Boden) | 1 |
15 | VCCR | Empfänger-Strom versorgung | |
16 | VCCT | Transmitter Strom versorgung | |
17 | VEET | Sender boden (gemeinsam mit Empfänger boden) | 1 |
18 | TD | Sender nicht invertierte Daten in. AC gekoppelt. | |
19 | TD- | Sender umgekehrte Daten in. AC gekoppelt. | |
20 | VEET | Sender boden (gemeinsam mit Empfänger boden) | 1 |
Anmerkungen:
1. TX-Fehler ist ein offener Kollektor ausgang, der mit einem 4,7 k ~ 10kΩ-Widerstand auf der Host-Platine auf eine Spannung zwischen 2,0 V und 0,3 V gezogen werden sollte. Logik 0 zeigt den normalen Betrieb an; Logik 1 zeigt einen Laser fehler an. Im niedrigen Zustand wird der Ausgang auf weniger als 0,8 V gezogen.
2. TX Deaktivieren ist ein Eingang, der verwendet wird, um den optischen Ausgang des Senders herunter zu fahren. Es wird innerhalb des Moduls mit einem 4,7 k ~ 10kΩ Widerstand hochgezogen. Seine Zustände sind:
Niedrig (0 ~ 0,8 V): Sender auf
(> 0,8 V, <2,0 V): Undefiniert
Hoch (2,0 ~ 3,3 V): Sender deaktiviert
Offen: Sender deaktiviert
3. MOD-DEF 0,1,2 ist die Modul definitions pins. Sie sollten mit einem 4,7 k ~ 10 kΩ Widerstand auf der Host-Platine hochgezogen werden. Die Pull-up-Spannung muss VccT oder VccR sein.
MOD-DEF 0 wird durch das Modul geerdet, um anzuzeigen, dass das Modul vorhanden ist
MOD-DEF 1 ist die Taktlinie von zwei Draht serielle Schnitts telle für serielle ID
MOD-DEF 2 ist die Datenleitung der seriellen Schnitts telle mit zwei Draht für die serielle ID
4. LOS ist ein offener Kollektor ausgang, der mit einem 4,7 k ~ 10kΩ Widerstand auf der Host-Platine auf eine Spannung zwischen 2,0 V und Vcc 0,3 V hochgezogen werden sollte. Logik 0 zeigt den normalen Betrieb an; Logik 1 zeigt den Signal verlust an. Im niedrigen Zustand wird der Ausgang auf weniger als 0,8 V gezogen.
5. Dies sind die differenzi ellen Empfänger ausgänge. Es handelt sich um intern AC-gekoppelte 100Ω-Differential leitungen, die beim Benutzer SERDES mit 100Ω (Differential) abgeschlossen werden sollten.
6. Dies sind die Differential sender eingänge. Sie sind AC-gekoppelte Differential leitungen mit 100 Ω Differential termination innerhalb des Moduls.
Empfohlene Anwendungs schaltung
Umriss zeichnungen (mm)

Regulatory Compliance
Feature | Referenz | Leistung |
Elektro statische Disge (ESD) | IEC/EN 61000-4-2 | Kompatibel mit Normen |
Elektro magnetische Interferenz (EMI) | FCC Teil 15 Klasse B EN 55022 Klasse B (CISPR 22A) | Kompatibel mit Normen |
Laser-Augen sicherheit | FDA 21CFR 1040.10, 1040.11 IEC/EN 60825-1, 2 | Laser produkt der Klasse 1 |
Komponenten erkennung | IEC/EN 60950, UL | Kompatibel mit Normen |
ROHS | 2002/95/EG | Kompatibel mit Normen |
EMC | EN61000-3 | Kompatibel mit Normen |
Anwendung
● 10GBASE-ZR/ZW 10G Ethernet
Standard
● Konform mit SFF-8472 SFP MSA.
● Konform mit SFP-SFF-8431 und-SFF-8432.
● Konform zu 802.3ae 10GBASE-ZR.
| Date | Version | Description | Download | ||
| 2025-03-17 | Datasheet _ 10G CWDM SFP 1470nm ~ 1610nm 60km_LA-OT-10GCW46-60_V2.Y | ||||
Abonnieren Sie jetzt, Sie können über 100 wertvolle Ressourcen und White Papers erhalten.
Folgen Sie uns können auch die neuesten Produkte und Branchen informationen in unseren Mitglieder-E-Mails erhalten.Details lernen >>>
Rufen Sie uns an:
Mailen Sie uns:
2106B, # 3D, Cloud Park Phase 1, Bantian, Longgang, Shenzhen, 518129, P.R.C.