Dieses Produkt ist ein paralleles 400-Gb/s Quad Small Form Factor Plug gable-optisches Modul mit doppelter Dichte (QSFP-DD). Es bietet eine erhöhte Hafen dichte und Gesamtsystem kosten einsparungen.
Dieses Produkt ist ein paralleles 400-Gb/s Quad Small Form Factor Plug gable-optisches Modul mit doppelter Dichte (QSFP-DD). Es bietet eine erhöhte Hafen dichte und Gesamtsystem kosten einsparungen. Das QSFP-DD optische Vollduplex-Modul bietet 8 unabhängige Sende-und Empfangs kanäle, jeder kann 53,125 Gb/s für eine aggregierte Datenrate von 400 Gb/s auf 100 Metern OM3-Multimode-Faser betrieben werden. Ein Glasfaser kabel mit einem MTP/MPO-16-Anschluss kann an die QSFP-DD SR8-Modulbuchse anges ch lossen werden. Die richtige Ausrichtung wird durch die Führungs stifte im Inneren des Behälters gewähr leistet. Das Kabel kann normaler weise nicht verdreht werden, um die richtige Kanal-Kanal-Ausrichtung zu gewährleisten. Die elektrische Verbindung wird über einen QSFP-DD MSA-kompatiblen Kanten verbinder erreicht. Die zentralen Wellenlängen aller 8 parallelen Bahnen betragen 850nm. Es enthält einen optischen MPO-16 stecker für die optische Schnitts telle und einen 60-poligen Stecker für die elektrische Schnitts telle. Host FEC ist erforderlich, um eine Multimode-Glasfaser übertragung von bis zu 70m OM3 zu unterstützen. Das Produkt ist mit Formfaktor, optischer/elektrischer Verbindung und digitaler Diagnose schnitts telle gemäß dem QSFP-DD Multi-Source Agreement (MSA) Typ 2 ausgestattet. Es wurde entwickelt, um die härtesten externen Betriebs bedingungen wie Temperatur, Luft feuchtigkeit und EMI-Störungen zu erfüllen.
Merkmale
● QSFP-DD MSA-konform
● 8 parallele Fahrspuren auf 850nm Mitten wellenlänge
● Konform mit der Spezifikation von IEEE 802.3bs
● Bis zu 100m Übertragung auf Multimode-Faser (MMF) OM3 mit FEC
● Betriebs fall temperatur: 0 bis 70oC
● 8x53,125 Gb/s elektrische Schnitts telle (400GAUI-8)
● Datenrate 53,125 Gbps (PAM4) pro Kanal.
● Maximaler Strom verbrauch 12W
● MPO-16 stecker
● RoHS konform
Transceiver-Block diagramm
Abbildung 1. Transceiver-Block diagramm
Optische Schnitts telle und Pin-Zuweisung
Die elektrische Pinout des QSFP-DD Moduls ist als Abbildung 2 dargestellt. Und Abbildung 3 zeigt die optische Schnitts telle von MPO-16.
Abbildung 2. MSA-konform Connector

Abbildung 3. MPO-16 optische Steck verbinder schnitts telle
Pin-Definition
Pin | Logik | Symbol | Deion | Stecker-Sequenz |
1 | Sc | Boden | 1B | |
2 | CML-I | Tx2n | Transmitter umgekehrte Dateneingang | 3B |
3 | CML-I | Tx2p | Sender-nicht invertierte Daten-Eingabe | 3B |
4 | Sc | Boden | 1B | |
5 | CML-I | Tx4n | Transmitter umgekehrte Dateneingang | 3B |
6 | CML-I | Tx4p | Sender-nicht invertierte Daten-Eingabe | 3B |
7 | Sc | Boden | 1B | |
8 | LVTTL-I | ModSelL | Modul Auswählen | 3B |
9 | LVTTL-I | ResetL | Modul zurücksetzen | 3B |
10 | VccRx | 3,3 V Netzteil-Empfänger | 2B | |
11 | -LVCMOS I/O | SCL | 2-adrige serielle Schnitts telle Uhr | 3B |
12 | -LVCMOS I/O | SDA | 2-Draht-Daten der seriellen Schnitts telle | 3B |
13 | Sc | Boden | 1B | |
14 | CML-O | Rx3p | Nicht invertierte Daten ausgabe des Empfängers | 3B |
15 | CML-O | Rx3n | Empfänger umgekehrte Daten ausgabe | 3B |
16 | Sc | Boden | 1B | |
17 | CML-O | Rx1p | Nicht invertierte Daten ausgabe des Empfängers | 3B |
18 | CML-O | Rx1n | Empfänger umgekehrte Daten ausgabe | 3B |
19 | Sc | Boden | 1B | |
20 | Sc | Boden | 1B | |
21 | CML-O | Rx2n | Empfänger umgekehrte Daten ausgabe | 3B |
22 | CML-O | Rx2p | Nicht invertierte Daten ausgabe des Empfängers | 3B |
23 | Sc | Boden | 1B | |
24 | CML-O | Rx4n | Empfänger umgekehrte Daten ausgabe | 3B |
25 | CML-O | Rx4p | Nicht invertierte Daten ausgabe des Empfängers | 3B |
26 | Sc | Boden | 1B | |
27 | LVTTL-O | ModPrsL | Modul Präsent | 3B |
28 | LVTTL-O | IntL | Unterbrechen | 3B |
29 | VccTx | 3,3 V Strom versorgungs sender | 2B | |
30 | Vcc1 | 3,3 V Strom versorgung | 2B | |
31 | LVTTL-I | InitMode | Initial isierungs modus; In älteren QSFP-Anwendungen der InitMode Pad heißt LPMODE | 3B |
32 | Sc | Boden | 1B | |
33 | CML-I | Tx3p | Sender-nicht invertierte Daten-Eingabe | 3B |
34 | CML-I | Tx3n | Transmitter umgekehrte Dateneingang | 3B |
35 | Sc | Boden | 1B | |
36 | CML-I | Tx1p | Sender-nicht invertierte Daten-Eingabe | 3B |
37 | CML-I | Tx1n | Transmitter umgekehrte Dateneingang | 3B |
38 | Sc | Boden | 1B | |
39 | Sc | Boden | 1A | |
40 | CML-I | Tx6n | Transmitter umgekehrte Dateneingang | 3A |
41 | CML-I | Tx6p | Sender-nicht invertierte Daten-Eingabe | 3A |
42 | Sc | Boden | 1A | |
43 | CML-I | Tx8n | Transmitter umgekehrte Dateneingang | 3A |
44 | CML-I | Tx8p | Sender-nicht invertierte Daten-Eingabe | 3A |
45 | Sc | Boden | 1A | |
46 | Reserviert | Für die zukünftige Verwendung | 3A | |
47 | VS1 | Modul anbieter Spezifische 1 | 3A | |
48 | VccRx1 | 3,3 V Strom versorgung | 2A | |
49 | VS2 | Modul anbieter Spezifische 2 | 3A | |
50 | VS3 | Modul anbieter Spezifische 3 | 3A | |
51 | Sc | Boden | 1A | |
52 | CML-O | Rx7p | Nicht invertierte Daten ausgabe des Empfängers | 3A |
53 | CML-O | Rx7n | Empfänger umgekehrte Daten ausgabe | 3A |
54 | Sc | Boden | 1A | |
55 | CML-O | Rx5p | Nicht invertierte Daten ausgabe des Empfängers | 3A |
56 | CML-O | Rx5n | Empfänger umgekehrte Daten ausgabe | 3A |
57 | Sc | Boden | 1A | |
58 | Sc | Boden | 1A | |
59 | CML-O | Rx6n | Empfänger umgekehrte Daten ausgabe | 3A |
60 | CML-O | Rx6p | Nicht invertierte Daten ausgabe des Empfängers | 3A |
61 | Sc | Boden | 1A | |
62 | CML-O | Rx8n | Empfänger umgekehrte Daten ausgabe | 3A |
63 | CML-O | Rx8p | Nicht invertierte Daten ausgabe des Empfängers | 3A |
64 | Sc | Boden | 1A | |
65 | NC | Keine Verbindung | 3A | |
66 | Reserviert | Für die zukünftige Verwendung | 3A | |
67 | VccTx1 | 3,3 V Strom versorgung | 2A | |
68 | Vcc2 | 3,3 V Strom versorgung | 2A | |
69 | Reserviert | Für die zukünftige Verwendung | 3A | |
70 | Sc | Boden | 1A | |
71 | CML-I | Tx7p | Sender-nicht invertierte Daten-Eingabe | 3A |
72 | CML-I | Tx7n | Transmitter umgekehrte Dateneingang | 3A |
73 | Sc | Boden | 1A | |
74 | CML-I | Tx5p | Sender-nicht invertierte Daten-Eingabe | 3A |
75 | CML-I | Tx5n | Transmitter umgekehrte Dateneingang | 3A |
76 | Sc | Boden | 1A |
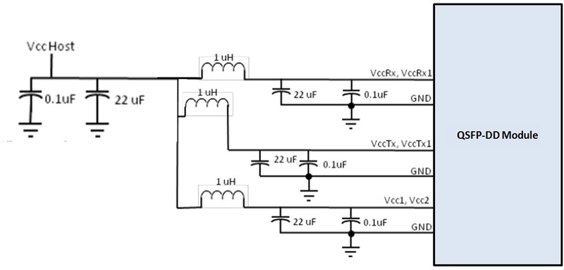
Empfohlener Strom versorgungs filter

Abbildung 4. Empfohlener Strom versorgungs filter
Absolute maximale Bewertungen
Es ist zu beachten, dass der Betrieb, der über alle einzelnen absoluten Höchstwerte hinaus geht, dieses Modul dauerhaft beschädigen kann.
| Parameter | Symbol | Min | Max | Einheiten | Hinweise |
| Lagerte mperatur | TS | -40 | 85 | DegC | |
| Betriebs fall temperatur | TOP | 0 | 70 | DegC | |
| Strom versorgungs spannung | VCC | -0,5 | 3.6 | V | |
Relative Luft feuchtigkeit (Nicht kondensation) | RH | 0 | 85 | % |
Empfohlene Betriebs bedingungen und Anforderungen an die Strom versorgung
| Parameter | Symbol | Min | Typisch | Max | Einheiten | Hinweise |
| Betriebs fall temperatur | TOP | 0 | 70 | DegC | ||
| Strom versorgungs spannung | VCC | 3.135 | 3.3 | 3.465 | V | |
| Datenrate, jede Spur | 26.5625 | GBd | PAM4 | |||
| Datenrate Genauigkeit | -100 | 100 | Ppm | |||
| Bit fehler verhältnis vor der FEC | 2.4 x10-4 | |||||
| Bit-Fehler-Verhältnis nach der FEC | 1x10-12 | 1 | ||||
| Verbindungs abstand mit OM3 | D | 0,5 | 100 | M | 2 |
Anmerkungen:
1. FEC zur Verfügung gestellt durch Host-System.
2. FEC auf Host-System erforderlich, um maximale Entfernung zu unterstützen.
Elektrische Eigenschaften
Die folgenden elektrischen Bakterien werden über die empfohlene Betriebs umgebung definiert, sofern nicht anders angegeben.
| Parameter | Test | Min | Typisch | Max | Einheiten | Hinweise | |||||||
| Punkt | |||||||||||||
| Strom verbrauch | 12 | W | |||||||||||
| Versorgungs strom | Icc | 3.63 | A | ||||||||||
| Sender (jede Spur) | |||||||||||||
| Signal geschwindigkeit, jede Spur | TP1 | 26.5625 ± 100 ppm | GBd | ||||||||||
Differential pk-pk Eingangs spannungs toleranz | TP1a | 900 | MVpp | 1 | |||||||||
Differenz ielle Beendigung Nicht übereinstimmung | TP1 | 10 | % | ||||||||||
| IEEE 802.3- | |||||||||||||
Differenz ielle Eingabe Rendite verlust | TP1 | 2015 | DB | ||||||||||
| Gleichung | |||||||||||||
| -8.30 E-04 | |||||||||||||
| IEEE 802.3- | |||||||||||||
Differential zu Common Modus-Eingabe rückkehr verlust | TP1 | 2015 | DB | ||||||||||
| Gleichung | |||||||||||||
| -8.30 E-05 | |||||||||||||
| Modul gestrester Eingangs test | TP1a | Siehe IEEE 802.3bs 120E.3.4.1 | 2 | ||||||||||
Einendige Spannung Toleranz bereich (min.) | TP1a | -0,4 bis 3,3 | V | ||||||||||
Gleichstrom-Gleichstrom modus Eingangs spannung | TP1 | -350 | 2850 | MV | 3 | ||||||||
| Empfänger (jede Spur) | |||||||||||||
Signal isierung Rate, Jede Spur | TP4 | 26.5625 ± 100 ppm | GBd | ||||||||||
Differential Peak-to-Peak Ausgangs spannung | TP4 | 900 | MVpp | ||||||||||
AC Common Modus ausgabe Spannung, RMS | TP4 | 17.5 | MV | ||||||||||
Differential Kündigung Nicht übereinstimmung | TP4 | 10 | % | ||||||||||
| IEEE 802.3- | |||||||||||||
Differential Ausgabe Rückkehr Verlust | TP4 | 2015 | |||||||||||
| Gleichung | |||||||||||||
| -8.30 E-01 | |||||||||||||
| IEEE 802.3- | |||||||||||||
Gemeinsam für Differential Modus Umwandlung Rendite verlust | TP4 | 2015 | |||||||||||
| Gleichung | |||||||||||||
| -8.30 E-02 | |||||||||||||
Übergang Zeit, 20% Zu 80% | TP4 | 9.5 | Ps | ||||||||||
Nahe Ende Auge Symmetrie Maske | TP4 | 0.265 | UI | ||||||||||
| Breite (ESMW) | |||||||||||||
Nahe Ende Augen höhe, | TP4 | 70 | MV | ||||||||||
| Differential | |||||||||||||
Weit Ende Auge Symmetrie Maske | TP4 | 0.2 | UI | ||||||||||
| Breite (ESMW) | |||||||||||||
Weit Ende Auge Höhe, Differential | TP4 | 30 | MV | ||||||||||
Weit Ende Vorläufer ISI-Verhältnis | TP4 | -4,5 | 2.5 | % | |||||||||
Gemeinsame Modus Ausgabe Spannung (Vcm) | TP4 | -350 | 2850 | MV | 3 | ||||||||
Anmerkungen:
1. Mit Ausnahme von IEEE 802.3bs 120E.3.1.2 ist das Muster PRBS31Q oder verschlüsselt im Leerlauf.
2. Erfüllt BER gemäß IEEE 802.3bs 120E.1.1.
3. DC Gleichstrom spannung, die vom Host erzeugt wird. Die Spezifikation umfasst Auswirkungen der Boden versatz spannung.
Optische Eigenschaften
| Parameter | Symbol | Min | Typisch | Max | Einheiten | Hinweise |
| Sender | ||||||
| Mittelwellenlänge | ΛC | 840 | 850 | 860 | Nm | |
| Datenrate, jede Spur | 26.5625 ± 100 ppm | GBd | ||||
| Modulation format | PAM4 | |||||
| RMS Spektral breite | ∆Λrms | 0,6 | Nm | Moduliert | ||
Durchschnitt licher Start Macht, jede Spur | PAVG | -6.5 | 4 | DBm | 1 | |
| Äußere optische Modulation | ||||||
Amplitude (OMAouter), Jede Spur | POMA | -4,5 | 3 | DBm | 2 | |
Launch Power in OMAouter minus TDECQ, jede Spur | -5.9 | DB | ||||
Sender und Dispersion auge Clouser für PAM4, jede Spur | ||||||
| TDECQ | 4.5 | DB | ||||
| Aussterbungs-Verhältnis | ER | 3 | DB | |||
| Optischer Rückfluss verlust | TOL | 12 | DB | |||
| Toleranz | ||||||
Durchschnitt liche Start leistung von OFF Transmitter, jede Spur | Poff | -30 | DBm | |||
| Umkreist fluss | ≥ 86% bei 19 μm | |||||
| ≤ 30% bei 4,5 μm | ||||||
| Empfänger | ||||||
| Mittelwellenlänge | ΛC | 840 | 850 | 860 | Nm | |
| Datenrate, jede Spur | 26.5625 ± 100 ppm | GBd | ||||
| Modulation format | PAM4 | |||||
| Schadens schwelle, jede Spur | THd | 5 | DBm | 3 | ||
| Durchschnitt liche Empfangs leistung, jeweils | -7.9 | 4 | DBm | 4 | ||
| Fahrspur | ||||||
Strom erhalten (OMAouter), jede Spur | 3 | DBm | ||||
| Empfänger empfindlichkeit | SEN | -6.5 | DBm | 5 | ||
| (OMAouter), jede Spur | ||||||
| Gestresste Empfänger empfindlichkeit | SRS | -3 | DBm | 6 | ||
| (OMAouter), jede Spur | ||||||
| Empfänger Reflexions vermögen | RR | -12 | DB | |||
| LOS Assert | LOSA | -30 | DBm | |||
| LOS De-behaupten | LOSD | -12 | DBm | |||
| LOS-Hysterese | LOSH | 0,5 | DB | |||
Gestresste Bedingungen für Stress Empfänger empfindlichkeit (Anmerkung 7) | ||||||
Gestresste Augen schließung für PAM4 (SECQ), Spur unter Test | 4 | DB | ||||
| OMAouter jeder Aggressor Lane | 3 | DBm | ||||
Anmerkungen:
1. Durchschnitt liche Start leistung, jede Spur (min) ist informativ und nicht der Haupt indikator für die Signalstärke.
Ein Sender mit einer Start leistung unter diesem Wert kann nicht konform sein.
Ein darüber stehendes Wert gewähr leistet keine Einhaltung.
2. Auch wenn der TDECQ < 1 dB, muss der OMAouter (min) den hier angegebenen Mindestwert überschreiten.
(3) Der Empfänger muss in der Lage sein, ohne Beschädigung eine kontinuierliche Exposition gegenüber einem optischen Eingangs signal mit diesem durchschnitt lichen Leistungs pegel zu tolerieren.
4. Durchschnitt liche Empfangs leistung, jede Spur (min) ist informativ und nicht der Haupt indikator für die Signalstärke. Eine empfangene Leistung unter diesem Wert kann nicht konform sein;
Ein Wert darüber gewähr leistet jedoch keine Einhaltung.
5. Empfänger Empfindlichkeit OMAouter, jede Spur (max) ist informativ und für einen BER von 2,4 x10-4 definiert.
6. Gemessen mit Konformität prüfungs signal am Empfänger eingang für den BER von 2,4 x10-4.
7. Diese Test bedingungen dienen zur Messung der Empfindlichkeit des gestressten Empfängers. Sie sind keine Bakterien des Empfängers.
Digitale Diagnose funktionen
Die folgenden digitalen diagnostischen Bakterien werden über die normalen Betriebs bedingungen definiert, sofern nicht anders angegeben.
| Parameter | Symbol | Min | Max | Einheiten | Hinweise |
Temperatur monitore Absoluter fehler | Über Betriebs temperatur bereich | ||||
| DMI_Temp | -3 | 3 | DegC | ||
| Versorgungs spannungs monitor | DMI _ VCC | -0,1 | 0,1 | V | Über den vollen Betrieb |
| Absoluter fehler | Reichweite | ||||
Kanal RX-Strom monitor Absoluter fehler | |||||
| DMI_RX_Ch | -2 | 2 | DB | 1 | |
| Kanal verzerrung strom | DMI_Ibias_Ch | -10% | 10% | MA | |
| Monitor | |||||
| Strom versorgung des Senders TX | DMI_TX_Ch | -2 | 2 | DB | 1 |
| Monitor absoluter Fehler |
Anmerkungen:
1. Aufgrund der Mess genauigkeit verschiedener Fasern kann es zu einer zusätzlichen Schwankung von +/-1 dB oder einer Gesamt genauigkeit von +/- 3 dB kommen.
Umriss zeichnung (mm)

Anwendungen
● Rechen zentrums verbindung
● 400G Ethernet
● InfiniBand verbindet sich
● Unternehmens vernetzung
| Date | Version | Description | Download | ||
| 2025-03-17 | Datasheet _ 400G QSFP-DD SR8 850nm 100m _ LA-OT-400G-SR8 | ||||
Abonnieren Sie jetzt, Sie können über 100 wertvolle Ressourcen und White Papers erhalten.
Folgen Sie uns können auch die neuesten Produkte und Branchen informationen in unseren Mitglieder-E-Mails erhalten.Details lernen >>>
Rufen Sie uns an:
Mailen Sie uns:
2106B, # 3D, Cloud Park Phase 1, Bantian, Longgang, Shenzhen, 518129, P.R.C.