Dieses Produkt ist ein 200 Gb/s Transceiver-Modul für 10km optische Kommunikation anwendungen. Das Design entspricht dem Standard IEEE 802.3bs 200GBASE-LR4.
Dieses Produkt ist ein 200 Gb/s Transceiver-Modul für 10km optische Kommunikation anwendungen. Das Design entspricht dem Standard IEEE 802.3bs 200GBASE-LR4. Für die elektrische Schnitts telle 200GAUI-8 wandelt das Modul 8 Eingangs kanäle (ch) mit elektrischen Daten von 25 Gb/s in 4 Kanäle optischer LWDM-Signale um und multiplext sie in einen einzigen Kanal für 200 Gb/s (PAM4). optische Übertragung. Umgekehrt de-multiplext das Modul auf der Empfängers eite einen 200 Gb/s(PAM4)-Eingang in 4 LWDM-Signal kanäle optisch und wandelt sie in 8 Kanäle um, die elektrische Daten ausgeben. Für die elektrische Schnitts telle 200GAUI-4 wandelt das Modul 4 Eingangs kanäle (ch) mit elektrischen Daten von 50 Gb/s in 4 Kanäle optischer LWDM-Signale um und multiplext sie in einen einzigen Kanal für 200 Gb/s (PAM4). optische Übertragung. Umgekehrt de-multiplext das Modul auf der Empfängers eite einen 200 Gb/s(PAM4)-Eingang in 4 LWDM-Signal kanäle optisch und wandelt sie in 4 Kanäle um, die elektrische Daten ausgeben. Die zentralen Wellenlängen der 4 LWDM-Kanäle. Es enthält einen Duplex-LC-Anschluss für die optische Schnitts telle und einen 76-poligen Stecker für die elektrische Schnitts telle. Um die optische Dispersion im Langstrecken system zu minimieren, muss in diesem Modul eine Single-Mode-Faser (SMF) angewendet werden. Host FEC ist erforderlich, um eine Glasfaser übertragung von bis zu 10km zu unterstützen. Das Produkt ist mit Formfaktor, optischer/elektrischer Verbindung und digitaler Diagnose schnitts telle gemäß der QSFP-DD Multi-Source-Vereinbarung (MSA) konzipiert. Es wurde entwickelt, um die härtesten externen Betriebs bedingungen einschl ießlich Temperatur, Luft feuchtigkeit und EMI-Störungen zu erfüllen.
Merkmale
● IEEE 802.3bs konform
● QSFP-DD MSA-konform
● 4 LWDM-Bahnen MUX/DEMUX-Design
● Unterstützt 212,5 Gb/s aggregierte Bitrate
● Bis zu 10km Übertragung auf Single-Mode-Faser (SMF) mit FEC
● Betriebs fall temperatur: 0 bis 70oC
● 200GAUI-8 und 200GAUI-4 elektrische Schnitts telle
● Maximaler Strom verbrauch 10,8 W
● LC-Duplex-Anschluss
● RoHS konform
Transceiver-Block diagramm
Für 200GAUI-8

Für 200GAUI-4

Abbildung 1. Transceiver-Block diagramm
Pin-Zuweisung und Deion

Abbildung 2. MSA-konforme Steck verbinder
Pin-Definition
Pin | Logik | Symbol | Deion | Stecker-Sequenz | Hinweise |
1 | Sc | Boden | 1B | 1 | |
2 | CML-I | Tx2n | Transmitter umgekehrte Dateneingang | 3B | |
3 | CML-I | Tx2p | Sender-nicht invertierte Daten-Eingabe | 3B | |
4 | Sc | Boden | 1B | 1 | |
5 | CML-I | Tx4n | Transmitter umgekehrte Dateneingang | 3B | |
6 | CML-I | Tx4p | Sender-nicht invertierte Daten-Eingabe | 3B | |
7 | Sc | Boden | 1B | 1 | |
8 | LVTTL-I | ModSelL | Modul Auswählen | 3B | |
9 | LVTTL-I | ResetL | Modul zurücksetzen | 3B | |
10 | VccRx | 3,3 V Netzteil-Empfänger | 2B | 2 | |
11 | -LVCMOS I/O | SCL | 2-adrige serielle Schnitts telle Uhr | 3B | |
12 | -LVCMOS I/O | SDA | 2-Draht-Daten der seriellen Schnitts telle | 3B | |
13 | Sc | Boden | 1B | 1 | |
14 | CML-O | Rx3p | Nicht invertierte Daten ausgabe des Empfängers | 3B | |
15 | CML-O | Rx3n | Empfänger umgekehrte Daten ausgabe | 3B | |
16 | Sc | Boden | 1B | 1 | |
17 | CML-O | Rx1p | Nicht invertierte Daten ausgabe des Empfängers | 3B | |
18 | CML-O | Rx1n | Empfänger umgekehrte Daten ausgabe | 3B | |
19 | Sc | Boden | 1B | 1 | |
20 | Sc | Boden | 1B | 1 | |
21 | CML-O | Rx2n | Empfänger umgekehrte Daten ausgabe | 3B | |
22 | CML-O | Rx2p | Nicht invertierte Daten ausgabe des Empfängers | 3B | |
23 | Sc | Boden | 1B | 1 | |
24 | CML-O | Rx4n | Empfänger umgekehrte Daten ausgabe | 3B | |
25 | CML-O | Rx4p | Nicht invertierte Daten ausgabe des Empfängers | 3B | |
26 | Sc | Boden | 1B | 1 | |
27 | LVTTL-O | ModPrsL | Modul Präsent | 3B | |
28 | LVTTL-O | IntL | Unterbrechen | 3B | |
29 | VccTx | 3,3 V Strom versorgungs sender | 2B | 2 | |
30 | Vcc1 | 3,3 V Strom versorgung | 2B | 2 | |
31 | LVTTL-I | InitMode | Initial isierungs modus; In älteren QSFP-Anwendungen ist das InitMode-Pad Genannt LPMODE | 3B | |
32 | Sc | Boden | 1B | 1 | |
33 | CML-I | Tx3p | Sender-nicht invertierte Daten-Eingabe | 3B | |
34 | CML-I | Tx3n | Transmitter umgekehrte Dateneingang | 3B | |
35 | Sc | Boden | 1B | 1 | |
36 | CML-I | Tx1p | Sender-nicht invertierte Daten-Eingabe | 3B | |
37 | CML-I | Tx1n | Transmitter umgekehrte Dateneingang | 3B | |
38 | Sc | Boden | 1B | 1 | |
39 | Sc | Boden | 1A | 1 | |
40 | CML-I | Tx6n | Transmitter umgekehrte Dateneingang | 3A | |
41 | CML-I | Tx6p | Sender-nicht invertierte Daten-Eingabe | 3A | |
42 | Sc | Boden | 1A | 1 | |
43 | CML-I | Tx8n | Transmitter umgekehrte Dateneingang | 3A | |
44 | CML-I | Tx8p | Sender-nicht invertierte Daten-Eingabe | 3A | |
45 | Sc | Boden | 1A | 1 | |
46 | Reserviert | Für die zukünftige Verwendung | 3A | 3 | |
47 | VS1 | Modul anbieter Spezifische 1 | 3A | 3 | |
48 | VccRx1 | 3,3 V Strom versorgung | 2A | 2 | |
49 | VS2 | Modul anbieter Spezifische 2 | 3A | 3 | |
50 | VS3 | Modul anbieter Spezifische 3 | 3A | 3 | |
51 | Sc | Boden | 1A | 1 | |
52 | CML-O | Rx7p | Nicht invertierte Daten ausgabe des Empfängers | 3A | |
53 | CML-O | Rx7n | Empfänger umgekehrte Daten ausgabe | 3A | |
54 | Sc | Boden | 1A | 1 | |
55 | CML-O | Rx5p | Nicht invertierte Daten ausgabe des Empfängers | 3A | |
56 | CML-O | Rx5n | Empfänger umgekehrte Daten ausgabe | 3A | |
57 | Sc | Boden | 1A | 1 | |
58 | Sc | Boden | 1A | 1 | |
59 | CML-O | Rx6n | Empfänger umgekehrte Daten ausgabe | 3A | |
60 | CML-O | Rx6p | Nicht invertierte Daten ausgabe des Empfängers | 3A | |
61 | Sc | Boden | 1A | 1 | |
62 | CML-O | Rx8n | Empfänger umgekehrte Daten ausgabe | 3A | |
63 | CML-O | Rx8p | Nicht invertierte Daten ausgabe des Empfängers | 3A | |
64 | Sc | Boden | 1A | 1 | |
65 | NC | Keine Verbindung | 3A | 3 | |
66 | Reserviert | Für die zukünftige Verwendung | 3A | 3 | |
67 | VccTx1 | 3,3 V Strom versorgung | 2A | 2 | |
68 | Vcc2 | 3,3 V Strom versorgung | 2A | 2 | |
69 | Reserviert | Für die zukünftige Verwendung | 3A | 3 | |
70 | Sc | Boden | 1A | 1 | |
71 | CML-I | Tx7p | Sender-nicht invertierte Daten-Eingabe | 3A | |
72 | CML-I | Tx7n | Transmitter umgekehrte Dateneingang | 3A | |
73 | Sc | Boden | 1A | 1 | |
74 | CML-I | Tx5p | Sender-nicht invertierte Daten-Eingabe | 3A | |
75 | CML-I | Tx5n | Transmitter umgekehrte Dateneingang | 3A | |
76 | Sc | Boden | 1A | 1 |
Anmerkungen:
1., der für QSFP-DD Module üblich ist, ist das Symbol für Signal und Versorgung (Leistung). Alle sind im QSFP-DD modul gemeinsam und alle Moduls pannungen beziehen sich auf dieses Potential, sofern nicht anders angegeben. Verbinden Sie diese direkt mit der gemeinsamen Erdung ebene des Host-Board-Signals.
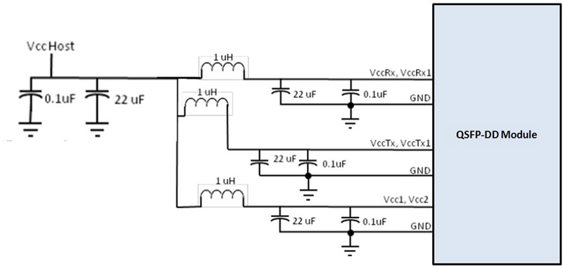
(2) VccRx, Vcc1 und VccTx sind die Empfangs-und Übertragungs strom versorger und werden gleichzeitig angewendet. Die empfohlene Filterung der Host-Board-Strom versorgung ist in Abbildung 3 unten dargestellt. Vcc Rx, Vcc1 und Vcc Tx können intern in beliebiger Kombination innerhalb des QSFP-DD Transceiver-Moduls verbunden sein. Die Verbindungs stifte sind jeweils für einen maximalen Strom von 1000mA ausgelegt.
Empfohlener Strom versorgungs filter

Abbildung 3. Empfohlener Strom versorgungs filter
Absolute maximale Bewertungen
Es ist zu beachten, dass der Betrieb, der über alle einzelnen absoluten Höchstwerte hinaus geht, dieses Modul dauerhaft beschädigen kann.
Parameter | Symbol | Min | Max | Einheiten | Hinweise |
Lagerte mperatur | TS | -40 | 85 | DegC | |
Betriebs fall temperatur | TOP | 0 | 70 | DegC | |
Strom versorgungs spannung | VCC | -0,5 | 3.6 | V | |
Relative Luft feuchtigkeit (Nicht kondensation) | RH | 0 | 85 | % | |
Schadens schwelle, jede Spur | THd | 3.5 | DBm |
Empfohlene Betriebs bedingungen und Anforderungen an die Strom versorgung
Parameter | Symbol | Min | Typisch | Max | Einheiten | Hinweise |
Betriebs fall Temperatur | TOP | 0 | 70 | DegC | ||
Strom versorgung Spannung | VCC | 3.135 | 3.3 | 3.465 | V | |
Datenrate, Jede Spur | 26.5625 | GBd | ||||
53.125 | Gb/s | |||||
Datenrate Genauigkeit | -100 | 100 | Ppm | |||
Bit fehler verhältnis vor der FEC | 2.4 x10-4 | |||||
Bit-Fehler-Verhältnis nach der FEC | 1x10-12 | 1 | ||||
Steuerung der Eingangs spannung hoch | 2 | Vcc | V | |||
Steuerung der Eingangs spannung niedrig | 0 | 0,8 | V | |||
Link-Abstand mit G.652 | D | 0.002 | 10 | Km | 2 |
Anmerkungen:
1. FEC zur Verfügung gestellt durch Host-System.
2. FEC auf Host-System erforderlich, um maximale Entfernung zu unterstützen.
Elektrische Eigenschaften
Die folgenden elektrischen Bakterien werden über die empfohlene Betriebs umgebung definiert, sofern nicht anders angegeben.
200GAUI-8 Elektrische Eigenschaften
Parameter | Symbol | Min | Typisch | Max | Einheiten | Hinweise | ||
Strom verbrauch | 10.8 | W | ||||||
Versorgungs strom | Icc | 3258 | MA | |||||
Sender (jede Spur) | ||||||||
Signal geschwindigkeit pro Spur (200GBASE-LR4) | 26.5625 ± 100ppm | GBd | ||||||
Differenz ausgangs spannung von Peak zu Peak | 900 | Mv | ||||||
AC-Gleichtakt Ausgangs spannung | 17,5 mV RMS mit Respekt Um Boden zu signalisieren | MV | ||||||
Differenz ielle Ausgangs rückgabe | Erfüllt Gleichung (120D-2) Einschränkungen | |||||||
Referenz impedanz für Ausgangs rückfluss verlust | 100 | Ω | ||||||
Gemeinsam für Differential Modus umwandlung | Zin | Erfüllt die Gleichung beschränkungen (83E-3) | ||||||
Differential kündigung nicht übereinstimmung | Weniger als 10% | |||||||
Übergangs zeit | Größer als oder gleich 12 ps | |||||||
Augen breite | 0,57 | UI | ||||||
Augenhöhe | 228 | MV | ||||||
Quer quelle | Asynone Übersprechen quelle unter Verwendung von Muster 5, Muster 3 oder gültigem 200GBASE-R-Signal | |||||||
Vertikaler Augen verschluss | 5.5 | DB | ||||||
Empfänger (jede Spur) | ||||||||
Einendige Ausgangs spannung | -0,4 | 3.3 | V | Auf Signal verwiesen Häufig | ||||
Differenz ielle pk-pk-Eingabe | 900 | MV | ||||||
Spannungs toleranz | ||||||||
Equati | ||||||||
Differenz ielle Eingabe rückgabe | Auf | |||||||
Verlust | (83E- | |||||||
5) | ||||||||
Equati | ||||||||
Differential zu Common- | Auf | |||||||
Modus-Eingabe rücknahme | (83E- | |||||||
6) | ||||||||
Mismatch zur Kündigung bei | 10 | % | ||||||
1MHz | ||||||||
Modul betonte Eingabe | ||||||||
Test | Siehe 83E.3.4.1 | |||||||
Gleichstrom modus | ||||||||
Spannung | -350 | 2850 | Mv | |||||
Augen breite | 0.46 | UI | ||||||
Augenhöhe | 95 | MV | ||||||
200GAUI-4 Elektrische Eigenschaften
Parameter | Symbol | Min | Typisch | Max | Einheiten | Hinweise | |
Strom verbrauch | 10.8 | W | |||||
Versorgungs strom | Icc | 3258 | MA | ||||
Sender (jede Spur) | |||||||
Signal isierungsrate pro Spur (200GBASE-LR4) | 26.5625 ± 100ppm | GBd | |||||
Peak-to-Peak-Differential Ausgangs spannung | 900 | Mv | |||||
AC-Gleichtakt Ausgangs spannung | 17.5 | MV | |||||
Differenz ielle Ausgangs rückgabe Verlust | Gleichung (83E-2) | ||||||
Gemeinsam für Differential Modus umwandlung | Zin | Gleichung (83E-3) | |||||
Differenz ielle Beendigung Nicht übereinstimmung | 10 | % | |||||
Übergangs zeit (20% bis 80%) | 9.5 | Ps | |||||
Gleichstrom modus Spannung | -350 | 2850 | MV | ||||
Empfänger (jede Spur) | |||||||
Einendige Ausgangs spannung | -0,4 | 3.3 | V | Auf Signal verwiesen Häufig | |||
Differenz ielle pk-pk-Eingabe Spannungs toleranz | 900 | MV | |||||
Differenz ielle Eingabe rückgabe | Equati auf (83E- 5) | ||||||
Differential zum Common-Mode-Eingabe rückgabe | Equati auf (83E- | ||||||
Optische Eigenschaften
Parameter | Symbol | Min | Typisch | Max | Einheiten | Hinweise |
Wellenlängen zuweisung | L0 | 1294.53 | 1295.56 | 1296.59 | Nm | |
L1 | 1299.02 | 1300.05 | 1301.09 | Nm | ||
L2 | 1303.54 | 1304.58 | 1305.63 | Nm | ||
L3 | 1308.09 | 1309.14 | 1310.19 | Nm | ||
Sender | ||||||
Datenrate, jede Spur | 26.5625 ± 100 ppm | GBd | ||||
Modulation format | PAM4 | |||||
Seiten modus unterdrückung verhältnis | SMSR | 30 | DB | Moduliert | ||
Durchschnitt liche Start leistung insgesamt | PT | 11.3 | DBm | |||
Durchschnitt liche Start leistung, jeweils Fahrspur | PAVG | -3.4 | 5.3 | DBm | 1 | |
Außen Optisch Modulation Amplitude (OMAouter), Jede Spur | POMA | -0,4 | 5.1 | DBm | 2 | |
Start leistung Auf OMAouter Minus TDECQ, Jede Spur | -1.8 | DB | Für ER ≥ 4,5 dB | |||
-1.7 | DB | Für ER <4,5 dB | ||||
Sender und Dispersion auge Clouser für PAM4, Jede Spur | TDECQ | 3.4 | DB | |||
Aussterbungs-Verhältnis | ER | 3.5 | DB | |||
Unterschied in Start leistung Zwischen irgendwelchen Zwei Fahrspuren (OMAouter) | 4 | DB | ||||
RIN 16,5 OMA | RIN | -132 | DB/Hz | |||
Optische Rückkehr Verlust Toleranz | TOL | 15.1 | DB | |||
Transmitter Reflexions vermögen | TR | -26 | DB | |||
Durchschnitt licher Start Macht des AUS Sender, jede Spur | Poff | -30 | DBm | |||
Empfänger | ||||||
Datenrate, jede Spur | 26.5625 ± 100 ppm | GBd | ||||
Modulation format | PAM4 | |||||
Schadens schwelle, Jede Spur | THd | 6.3 | DBm | 3 | ||
Durchschnitt liche Empfangs leistung, Jede Spur | -9.7 | 5.3 | DBm | 4 | ||
Empfangen Sie Macht (OMA outer), Jede Spur | 5.1 | DBm | ||||
Unterschied in Empfänger leistung Zwischen zwei beliebigen Bahnen (OMAouter) | 4.2 | DB | ||||
Empfänger empfindlichkeit (OMAouter), jede Spur | SEN | -7.7 | DBm | Für BER Von 2,4 E-4 | ||
Gestresene Empfänger Empfindlichkeit (OMAouter), jede Spur | SRS | -5.2 | DBm | 5 | ||
Empfänger Reflexions vermögen | RR | -26 | DB | |||
LOS Assert | LOSA | -25,7 | DBm | |||
LOS De-behaupten | LOSD | -11,7 | DBm | |||
LOS-Hysterese | LOSH | 0,5 | DB | |||
Gestresste Bedingungen für die Empfindlichkeit des Stress empfängers (Anmerkung 6) | ||||||
Gestresste Augen schließung für PAM4 (SECQ), Spur im Test | 3.4 | DB | ||||
OMAouter jeder Aggressor Lane | -1 | DBm | ||||
Anmerkungen: 1. Durchschnitt liche Start leistung, jede Spur (min) ist informativ und nicht der Haupt indikator für die Signalstärke. Ein Sender mit Start leistung unter diesem Wert kann nicht konform sein. Ein Wert darüber gewähr leistet jedoch keine Einhaltung. 2. Auch wenn der TDECQ <1,4 dB für ein Extinktion verhältnis von ≥ 4,5 dB oder TDECQ <1,3 dB für ein Extinktion verhältnis von <4,5 dB, der OMA outer (min) muss den hier angegebenen Mindestwert überschreiten. Der Empfänger muss in der Lage sein, ohne Beschädigung eine kontinuierliche Exposition gegenüber einem optischen Eingangs signal mit diesem durchschnitt lichen Leistungs pegel zu tolerieren. 3. Durchschnitt liche Empfangs leistung, jede Spur (min) ist informativ und nicht der Haupt indikator für die Signalstärke. Eine empfangene Leistung unter diesem Wert kann nicht konform sein. Ein Wert darüber gewähr leistet jedoch keine Einhaltung. 4. Gemessen mit Konformität prüfungs signal für BER = 2,4 x10-4. 5. Diese Test bedingungen dienen zur Messung der Empfindlichkeit des gestressten Empfängers. Sie sind keine Bakterien des Empfängers. | ||||||
Digitale Diagnose funktionen
Die folgenden digitalen diagnostischen Bakterien werden über die normalen Betriebs bedingungen definiert, sofern nicht anders angegeben.
Parameter | Symbol | Min | Max | Einheiten | Hinweise |
Temperatur monitore Absoluter fehler | DMI_Temp | -3 | 3 | DegC | Über Betriebs temperatur bereich |
Versorgungs spannungs monitor Absoluter fehler | DMI _ VCC | -0,1 | 0,1 | V | Über den vollen Betriebs bereich |
Kanal RX-Strom monitor Absoluter fehler | DMI_RX_Ch | -3 | 3 | DB | |
Kanal-Bias-Strom monitor | DMI_Ibias_Ch | -10% | 10% | MA | |
Strom versorgung des Senders TX Monitor absoluter Fehler | DMI_TX_Ch | -3 | 3 | DB |
Umriss zeichnung (mm)

Anwendungen
● Rechen zentrums verbindung
● 200G Ethernet
● Unternehmens vernetzung
| Date | Version | Description | Download | ||
| 2025-03-17 | Datasheet _ 200G QSFP-DD LR4 1310nm 10km _ LA-OT-200G-LR4 | ||||
Abonnieren Sie jetzt, Sie können über 100 wertvolle Ressourcen und White Papers erhalten.
Folgen Sie uns können auch die neuesten Produkte und Branchen informationen in unseren Mitglieder-E-Mails erhalten.Details lernen >>>
Rufen Sie uns an:
Mailen Sie uns:
2106B, # 3D, Cloud Park Phase 1, Bantian, Longgang, Shenzhen, 518129, P.R.C.