SFP-Paket mit LC-Stecker, 1310nm DFB-Laser und PIN-Foto detektor.
Merkmale
● SFP-Paket mit LC-Anschluss
● 1310nm DFB-Laser und PIN-Foto detektor
● Bis zu 1,4 km Übertragung auf SMF
● Verlust leistung <1W
● LVPECL-kompatible Daten-Eingabe-/Ausgabe schnitts telle
● Niedriger EMI-und aus gezeichneter ESD-Schutz
● Lasers icherheits standard IEC-60825 konform
● Kompatibel mit RoHS
● Kompatibel mit SFF8472
Parameter | Symbol | Minimum | Maximal | Einheiten |
Lagerte mperatur | Tst | -40 | + 85 | °C |
Versorgungs spannung | Vcc | 0 | + 3.6 | V |
Relative Betriebs feuchtigkeit | RH | 0 | 85 | % |
Betriebs umgebung
Parameter | Symbol | Min | Typisch | Max | Einheiten | |
Versorgungs spannung | Vcc | 3.15 | 3.45 | V | ||
Betriebs fall temperatur | Kommerziell | Tc | 0 | + 70 | °C | |
Macht ableitung | 1 | W | ||||
Datenrate | 10.3125 | Gbps | ||||
Optische Eigenschaften
(Umgebungs betriebs temperatur 0 °C bis + 70 °C, Vcc = 3,3 V)
Parameter | Symbol | Min. | Typ. | Max. | Einheiten |
Sender-Abschnitt | |||||
Mittelwellenlänge | Lo | 1290 | 1310 | 1330 | Nm |
Seiten-Modus-Unterdrückung verhältnis | SMSR | 35 | - | - | DB |
Durchschnitt liche Ausgangs leistung | Po | -8 | - | 0,5 | DBm |
Aussterbungs-Verhältnis | Äh | 3.5 | - | - | DB |
Dispersion strafe | 3.2 | DB | |||
Relative Intensität Lärm | RIN12OMA | -128 | DB/Hz | ||
Gesamt jitter | Tj | IEEE 802.3ae | |||
Empfänger-Abschnitt | |||||
Mittelwellenlänge | Lo | 1310 | Nm | ||
Empfänger empfindlichkeit | Rsen | -14 | DBm | ||
Gestresste Empfindlichkeit | Rsen | -13 | DBm | ||
Empfänger überlastung | Rov | -3 | DBm | ||
Rendite verlust | 12 | DB | |||
LOS Assert | LOSA | -25 | DBm | ||
LOS Dessert | LOSD | -15 | DBm | ||
LOS-Hysterese | 0,5 | 4 | |||
Elektrische Eigenschaften
(Umgebungs betriebs temperatur 0 °C bis 70 °C, Vcc = 3,3 V)
Parameter | Symbol | Min. | Typ. | Max. | Einheit | |
Sender-Abschnitt | ||||||
Eingabe differenz ielle Impendenz | Zin | 90 | 100 | 110 | Ohm | |
Dateneingang Swing Differential | Vin | 180 | 700 | MV | ||
TX deaktivieren | Deaktivieren | 2.0 | Vcc | V | ||
Aktivieren | 0 | 0,8 | V | |||
TX-Fehler | Anbehaupten | 2.0 | Vcc | V | ||
Einlage | 0 | 0,8 | V | |||
Empfänger-Abschnitt | ||||||
Output-Differential-Impendenz | Zout | 100 | Ohm | |||
Daten ausgabe Swing Differential | Vout | 300 | 800 | MV | ||
Rx_LOS | Anbehaupten | 2.0 | Vcc | V | ||
Einlage | 0 | 0,8 | V | |||
Diagnostik
Parameter | Reichweite | Genauigkeit | Einheit | Kalibrierung |
Temperatur | -10 ~ 75 | ± 5 | °C | Intern |
Spannung | 3,15 ~ 3,45 | ± 0,1 | V | Intern |
Bias Current | 10 ~ 80 | ± 2 | MA | Intern |
Tx Leistung | -8 ~ 1 | ± 2 | DBm | Intern |
Rx Leistung | -16 ~ -3 | ± 3 | DBm | Intern |
EEPROM-INFORMATIONEN (A0)
Addr | Feldgröße (Bytes) | Name des Feldes | HEX | Beschreibung |
0 | 1 | Kennung | 03 | SFP |
1 | 1 | Ext. Kennung | 04 | MOD4 |
2 | 1 | Steck verbinder | 07 | LC |
3-10 | 8 | Transceiver | 10 00 00 00 00 00 00 00 | Sender code |
11 | 1 | Kodierung | 06 | 64 B66B |
12 | 1 | BR, nominal | 67 | 10000M bps |
13 | 1 | Reserviert | 00 | |
14 | 1 | Länge (9um)-km | 0A | |
15 | 1 | Länge (9um) | 00 | |
16 | 1 | Länge (50um) | 00 | |
17 | 1 | Länge (62,5 um) | 00 | |
18 | 1 | Länge (Kupfer) | 00 | |
19 | 1 | Reserviert | 00 | |
20-35 | 16 | Name des Verkäufers | 57 49 4E 54 4F 50 20 20 20 20 20 20 20 20 20 20 20 20 | OEM |
36 | 1 | Reserviert | 00 | |
37-39 | 3 | Verkäufer OUI | 00 00 00 | |
40-55 | 16 | Verkäufer PN | Xx xx xx xx xx xx xx xx Xx xx xx xx xx xx xx xx | ASC II |
56-59 | 4 | Verkäufer rev | 31 2E 30 20 | V 1.0 |
60-61 | 2 | Wellenlänge | 05 1E | 1310nm |
62 | 1 | Reserviert | 00 | |
63 | 1 | CC BASE | XX | Überprüfen Sie die Summe des Bytes 0 ~ 62 |
64-65 | 2 | Optionen | 00 1A | LOS, TX_DISABLE, TX_FAULT |
66 | 1 | BR, max | 00 | |
67 | 1 | BR, min | 00 | |
68-83 | 16 | Verkäufer SN | 00 00 00 00 00 00 00 00 00 00 00 00 00 00 00 00 | Nicht spezifiziert |
84-91 | 8 | Verkäufer datums code | XX XX 20 | Jahr, Monat, Tag |
92-94 | 3 | Reserviert | 00 | |
95 | 1 | CC_EXT | XX | Überprüfen Sie die Summe des Bytes 64 ~ 94 |
96-255 | 160 | Verkäufer spezifisch |
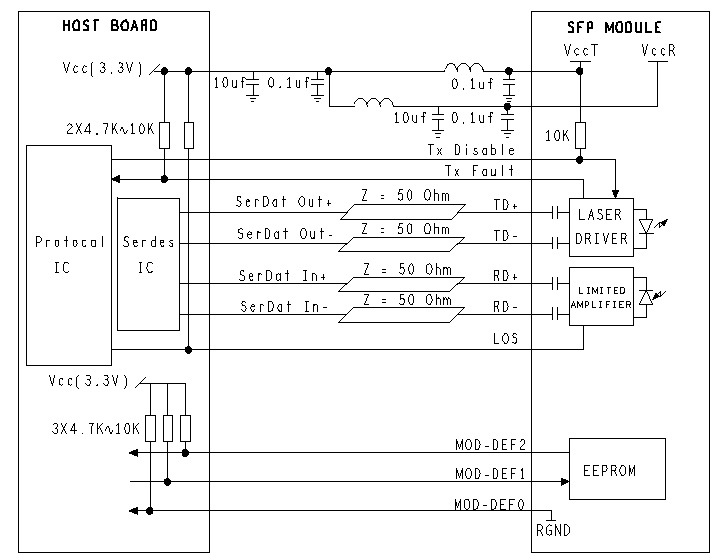
Pin-Beschreibung
Pins | Name | Beschreibung | HINWEIS |
1 | VeeT | Transmitter Boden | |
2 | Tx-Fehler | Sender fehler anzeige | 1 |
3 | Tx deaktivieren | Sender deaktivieren | 2 |
4 | MOD DEF2 | Modul Definition 2 | 3 |
5 | MOD DEF1 | Modul Definition 1 | 3 |
6 | MOD DEF0 | Modul Definition 0 | 3 |
7 | RS0 | Nicht verbunden | |
8 | LOS | Verlust des Signals | 4 |
9 | RS1 | Nicht verbunden | |
10 | VeeR | Empfänger boden | |
11 | VeeR | Empfänger boden | |
12 | RD- | Inv. Empfangene Daten ausgabe | 5 |
13 | RD | IReceived Daten ausgabe | 5 |
14 | VeeR | Empfänger boden | |
15 | VccR | Empfänger leistung | |
16 | VccT | Sender leistung | |
17 | VeeT | Transmitter Boden | |
18 | TD | Daten-Input übertragen | 6 |
19 | TD- | Inv. Daten-Input übertragen | 6 |
20 | VeeT | Transmitter Boden |
Anmerkungen:
1. TX-Fehler ist ein offener Kollektor ausgang, der mit einem 4,7 k ~ 10kΩ-Widerstand auf der Host-Platine auf eine Spannung zwischen 2,0 V und 0,3 V gezogen werden sollte. Logik 0 zeigt den normalen Betrieb an; Logik 1 zeigt einen Laser fehler an. Im niedrigen Zustand wird der Ausgang auf weniger als 0,8 V gezogen.
2. TX Deaktivieren ist ein Eingang, der verwendet wird, um den optischen Ausgang des Senders herunter zu fahren. Es wird innerhalb des Moduls mit einem 4,7 k ~ 10kΩ Widerstand hochgezogen. Seine Zustände sind:
Niedrig (0 ~ 0,8 V): Sender auf
(> 0,8 V, <2,0 V): Undefiniert
Hoch (2,0 ~ 3,465 V): Sender deaktiviert
Offen: Sender deaktiviert
3. MOD-DEF 0,1,2 ist die Modul definitions pins. Sie sollten mit einem 4,7 k ~ 10 kΩ Widerstand auf der Host-Platine hochgezogen werden. Die Pull-up-Spannung muss VccT oder VccR sein.
MOD-DEF 0 wird durch das Modul geerdet, um anzuzeigen, dass das Modul vorhanden ist
MOD-DEF 1 ist die Taktlinie von zwei Draht serielle Schnitts telle für serielle ID
MOD-DEF 2 ist die Datenleitung der seriellen Schnitts telle mit zwei Draht für die serielle ID
4. LOS ist ein offener Kollektor ausgang, der mit einem 4,7 k ~ 10kΩ Widerstand auf der Host-Platine auf eine Spannung zwischen 2,0 V und Vcc 0,3 V hochgezogen werden sollte. Logik 0 zeigt den normalen Betrieb an; Logik 1 zeigt den Signal verlust an. Im niedrigen Zustand wird der Ausgang auf weniger als 0,8 V gezogen.
5. Dies sind die differenzi ellen Empfänger ausgänge. Es handelt sich um intern AC-gekoppelte 100Ω-Differential leitungen, die beim Benutzer SERDES mit 100Ω (Differential) abgeschlossen werden sollten.
6. Dies sind die Differential sender eingänge. Sie sind AC-gekoppelte Differential leitungen mit 100 Ω Differential termination innerhalb des Moduls.
Empfohlene Anwendungs schaltung

Umriss zeichnung (mm)

Anwendung
● Ethernet
● Faser kanal
| Date | Version | Description | Download | ||
| 2025-03-17 | Datasheet _ 10G SFP LR 1310nm 1.4km SM LC_LA-OT-10G3-1.4_V2.Y | ||||
Abonnieren Sie jetzt, Sie können über 100 wertvolle Ressourcen und White Papers erhalten.
Folgen Sie uns können auch die neuesten Produkte und Branchen informationen in unseren Mitglieder-E-Mails erhalten.Details lernen >>>
Rufen Sie uns an:
Mailen Sie uns:
2106B, # 3D, Cloud Park Phase 1, Bantian, Longgang, Shenzhen, 518129, P.R.C.